SCOOTER-REMONT.COM - самостоятельное обслуживание, ремонт, тюнинг скутеров и мопедов. Решение проблем, обмен информацией, общение

Часовой пояс: UTC + 3 часа




Начать новую тему Ответить на тему  [ Сообщений: 11 ] 
Автор Сообщение
СообщениеДобавлено: 20 сен 2014, 18:30 
Не в сети
Интересующийся
Интересующийся
Зарегистрирован: 20 сен 2014, 18:27
Сообщений: 4
Транспорт: Suzuki Lets II
Пункты репутации: 0
Уже вторую неделю пытаюсь оживить свой летс. Попробую все описать.

Думаю началось все с того что в районе генератора, как мне казалось, появились странные звуки, мне они почему то показались звуками трущей пластмассы. Звуки то появлялись то пропадали, особенно когда скутер ночь постоит с утра все норм. Я подложил шайбы под крышку которая закрывает крыльчатку генератора списывая на трение пластмассы. Ну кое как помогло, вроде пропали звуки странные. Но в то время как то быстро стал садиться акуммулятор, буквально за недельку или две. Списал на плохой акум. Хотя возможно это было признаком плохого регулятора напряжения. После пропадания странных звуков в один прекрасный момент, ну может через недельку, стала падать тяга, за пару дней ее практически не было. Забил тревогу. Скутер ели дотягивал о 30 км/час, при старте даже приходилось подталкивать ногами. Ну после 30 уже кое как до 50 дотягивал. Решил что забита труба выхлопная, так как ремень новый, а ролики проверял, изношены, но не настолько чтобы не тянуть совсем. Снял трубу, кинул в костер, прогрел, простучал, вылетело конечно сажи много, так как не чистилась никогда. Все это время вместе с быстрой разрядкой акума и прочими проблемами добавилось плохая заводка кикстартером. В тоже время как пропала тяга еще и плохо стал держать холостые. Поставил почищенную трубу, а тяги нету, снял трубу совсем, а тяги нету. Разобрал карб, почистил, помыл, поставил. Забыл подключить обогатитель. Завелся и пока скут работал перепутал и подключил обогатитель к подсветке багажника. Ну и после 2-3 заводок скутер вообще сдох. Ни искры ни подсветки ни фар ни звукового сигнала. Скутер мертв. Началась разборка электрики. В итоге поставлена новая свеча, новый свечной колпак, прозвонил наверно уже все что мог и не мог.

Что имеем сейчас. Выяснено что плохая масса. При повернутом ключе, отключенном акуме, щупы на выходе + и на раме, показания вчера были 11 Ом, сегодня 4,5 Ом.

Помогите для начала хотя бы вернуть нормальную массу, сказали должна быть около 70 Ом.

Вышло целое сочинение как я провел последние 2 недели) Хочу все таки довести дело до конца, в жизни пригодится, а сдать в ремонт и дурак сможет ))


Вернуться наверх
 Профиль  
 
СообщениеДобавлено: 20 сен 2014, 23:03 
Не в сети
Опытный
Опытный
Зарегистрирован: 08 фев 2013, 20:19
Сообщений: 137
Транспорт: скутер honda
Пункты репутации: 233
Мотолюбитель
Оставь в покое "массу". Найди нормальную схему и прозвони систему зажигания начиная с гены, также "+" от акумы до замка и дальше, данные сопротивления обмоток гены и других приборов зажигалки не секрет. "масса" на двигатель завешена на крепеже стартера.


Вернуться наверх
 Профиль  
 
СообщениеДобавлено: 20 сен 2014, 23:18 
Не в сети
Интересующийся
Интересующийся
Зарегистрирован: 20 сен 2014, 18:27
Сообщений: 4
Транспорт: Suzuki Lets II
Пункты репутации: 0
да, видел я массу на стартере, почистил, вроде все проверил, ни перетертых проводов ни расплавленных, вроде все норм но нифига не работает. Гена вчера выдавал до 6 В напряжение


Вернуться наверх
 Профиль  
 
СообщениеДобавлено: 21 сен 2014, 05:15 
Не в сети
Уважаемый
Уважаемый
Зарегистрирован: 27 авг 2013, 19:09
Сообщений: 3583
Откуда: Красноярский кр, Курагинский р-он
Транспорт: Dio28 SepiaZZ JogZ2
Vilzer писал(а):
началось все с того что в районе генератора, как мне казалось, появились странные звуки, мне они почему то показались звуками трущей пластмассы.
-проверь подшипники коленвала.
Vilzer писал(а):
в один прекрасный момент, ну может через недельку, стала падать тяга, за пару дней ее практически не было. Забил тревогу. Скутер ели дотягивал о 30 км/час, при старте даже приходилось подталкивать ногами. Ну после 30 уже кое как до 50 дотягивал.
-проверь сальники коленвала -если во круг них влажно и все в пыли значит уже дышат. замерь компрессию.
Vilzer писал(а):
В тоже время как пропала тяга еще и плохо стал держать холостые.
-тоже признак подсоса через сальники.
Vilzer писал(а):
Завелся и пока скут работал перепутал и подключил обогатитель к подсветке багажника. Ну и после 2-3 заводок скутер вообще сдох. Ни искры ни подсветки ни фар ни звукового сигнала.
-проверь предохранители на акб. возможно замок барахлит или фишки окислены...
Vilzer писал(а):
Выяснено что плохая масса. При повернутом ключе, отключенном акуме, щупы на выходе + и на раме, показания вчера были 11 Ом, сегодня 4,5 Ом.

Помогите для начала хотя бы вернуть нормальную массу, сказали должна быть около 70 Ом.
-может быть и 4 ом... если звонишь массу и звони массу на раму -при чем здесь +...
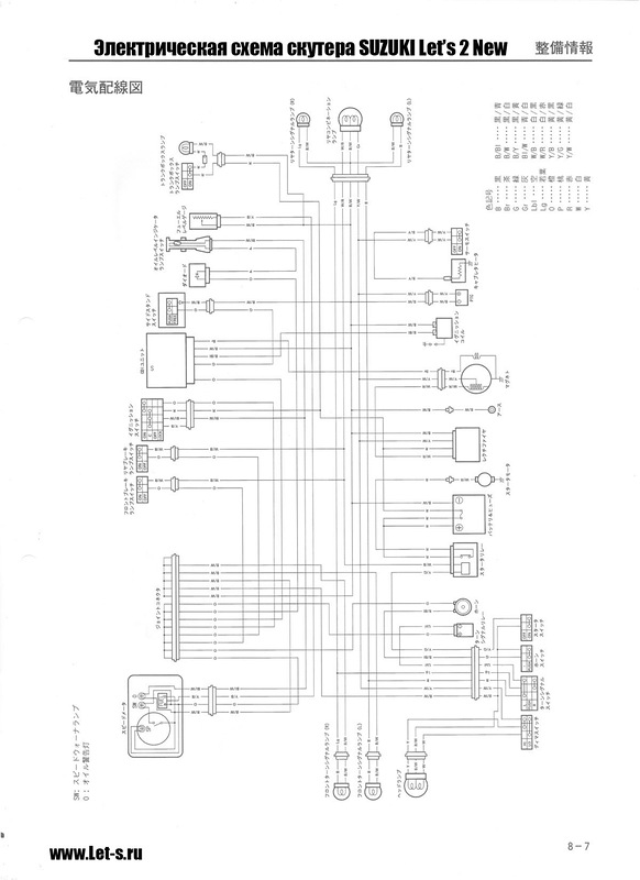
-попробуй по схеме разобраться:
Вложение:
Сузуки Летс.jpeg
Сузуки Летс.jpeg [ 74.73 KiB | Просмотров: 19833 ]

_________________
Обслуживание Ремонт Тюнинг скутеров мопедов
Запчасти новые и б.у. с разборки тел: 89233978854

[email protected]
http://www.vk.com/club65117765
https://ok.ru/group/57622667198508


Вернуться наверх
 Профиль  
 
СообщениеДобавлено: 21 сен 2014, 08:14 
Не в сети
Интересующийся
Интересующийся
Зарегистрирован: 20 сен 2014, 18:27
Сообщений: 4
Транспорт: Suzuki Lets II
Пункты репутации: 0
Замок коротил скрепкой, пред поставил новый, а толку нету


Вернуться наверх
 Профиль  
 
СообщениеДобавлено: 21 сен 2014, 09:45 
Не в сети
Опытный
Опытный
Зарегистрирован: 08 фев 2013, 20:19
Сообщений: 137
Транспорт: скутер honda
Пункты репутации: 233
Мотолюбитель
Ищи "искру", "Летс" может заводиться без гены, на датчике и акуме, звони "+".


Вернуться наверх
 Профиль  
 
СообщениеДобавлено: 21 сен 2014, 12:57 
Не в сети
Интересующийся
Интересующийся
Зарегистрирован: 20 сен 2014, 18:27
Сообщений: 4
Транспорт: Suzuki Lets II
Пункты репутации: 0
датчик стоит возле гены? может его проверить

Можно ли неправильно подключить катушку зажигания? Вроде подключил как было, но мало ли

Прозвонил основные провода по пути зажигания, все в норме.

Хотелось бы проверить комутатор, но вроде почитал что его не проверишь, либо мой поставить на рабочий скут либо мне рабочий комут


Вложения:
IMG_0167.JPG
IMG_0167.JPG [ 882.15 KiB | Просмотров: 19818 ]
Вернуться наверх
 Профиль  
 
СообщениеДобавлено: 05 мар 2015, 08:38 
Не в сети
Интересующийся
Интересующийся
Зарегистрирован: 05 мар 2015, 08:28
Сообщений: 2
Транспорт: fada11
Пункты репутации: 0
При запуске двигателя загораются все лампочки поворотов?


Вернуться наверх
 Профиль  
 
СообщениеДобавлено: 05 мар 2015, 09:58 
Не в сети
Уважаемый
Уважаемый
Зарегистрирован: 27 авг 2013, 19:09
Сообщений: 3583
Откуда: Красноярский кр, Курагинский р-он
Транспорт: Dio28 SepiaZZ JogZ2
Irina писал(а):
При запуске двигателя загораются все лампочки поворотов?

-какая модель скутера?
-что предшествовало появлению неисправности?
-при включении зажигания сразу загораются?
-сигналка стоит?

_________________
Обслуживание Ремонт Тюнинг скутеров мопедов
Запчасти новые и б.у. с разборки тел: 89233978854

[email protected]
http://www.vk.com/club65117765
https://ok.ru/group/57622667198508


Вернуться наверх
 Профиль  
 
СообщениеДобавлено: 05 мар 2015, 16:14 
Не в сети
Интересующийся
Интересующийся
Зарегистрирован: 05 мар 2015, 08:28
Сообщений: 2
Транспорт: fada11
Пункты репутации: 0
модель фада 11.лампочки загорелись при движении.загораются когда заведётся.сигналка стоит.


Вернуться наверх
 Профиль  
 
СообщениеДобавлено: 05 мар 2015, 16:46 
Не в сети
Уважаемый
Уважаемый
Зарегистрирован: 27 авг 2013, 19:09
Сообщений: 3583
Откуда: Красноярский кр, Курагинский р-он
Транспорт: Dio28 SepiaZZ JogZ2
Irina писал(а):
модель фада 11.лампочки загорелись при движении.загораются когда заведётся.сигналка стоит.

-а когда ключ поворачиваете но еще не завели -не горят?

причина скорей всего в сигналке... попробуйте отключить... но нужно перемкнуть два контакта на фишке... какие -сказать не могу... не зная какая сигналка и не видя проводки и фишки...

_________________
Обслуживание Ремонт Тюнинг скутеров мопедов
Запчасти новые и б.у. с разборки тел: 89233978854

[email protected]
http://www.vk.com/club65117765
https://ok.ru/group/57622667198508


Вернуться наверх
 Профиль  
 
Показать сообщения за:  Сортировать по:  
Начать новую тему Ответить на тему  [ Сообщений: 11 ] 

Часовой пояс: UTC + 3 часа


Кто сейчас на форуме

Сейчас этот форум просматривают: нет зарегистрированных пользователей и гости: 29





© 2010-2026 scooter-remont.com   О сайте Контакты   Политика конфиденциальности