Не нужно искать схему именно под эту модель. Китайские скутеры почти все одинаковы в плане электрооборудования. 
Вот ваш скутер, обычная копия десятков таких моделей китайского производства.
Вложение:
			Комментарий к файлу: Скутер Abm Storm
		
			
			Abm-storm.jpg [ 134.24 KiB | Просмотров: 19885 ]
		
		
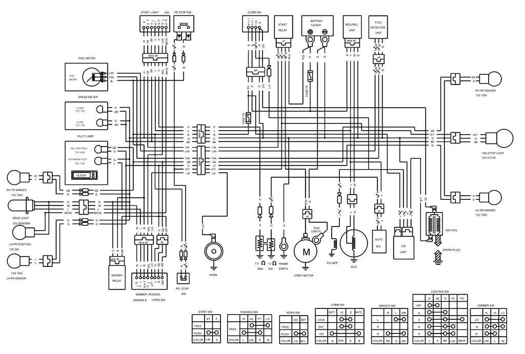
	 А это электросхема в цветном варианте, подходит для большинства китайских скутеров, сверьте с вашим.
Вложение:
			Комментарий к файлу: Схема китайского скутера, цветная
		
			
			shema_kit-skutera2.jpg [ 136.33 KiB | Просмотров: 19885 ]
		
		
	 Вот еще одна, если та не подойдет: 
