SCOOTER-REMONT.COM - самостоятельное обслуживание, ремонт, тюнинг скутеров и мопедов. Решение проблем, обмен информацией, общение

Часовой пояс: UTC + 3 часа




Начать новую тему Ответить на тему  [ 1 сообщение ] 
Автор Сообщение
 Заголовок сообщения: Конденсатор в цепь фары
СообщениеДобавлено: 12 окт 2015, 20:48 
Не в сети
Интересующийся
Интересующийся
Зарегистрирован: 12 окт 2015, 20:43
Сообщений: 1
Транспорт: Suzuki Address V100
Пункты репутации: 0
Здравствуйте.
У меня на холостых оборотах горит тускло фара и моргает все освещение (еле заметно). Электрика в порядке, просто такая вот особенность старых скутеров. Это мне не мешает, но хотелось бы эстетического удовольствия, так сказать.

Где-то краем уха слышал, что, если в цепь впаять конденсатор, то проблема решится. Не помню, говорилось ли в том посте про другие элементы в цепи.

Так вот, вопрос: что же всё-таки нужно добавить в электроцепь фары, чтобы на холостых оборотах лампочка горела ярко и не моргала?

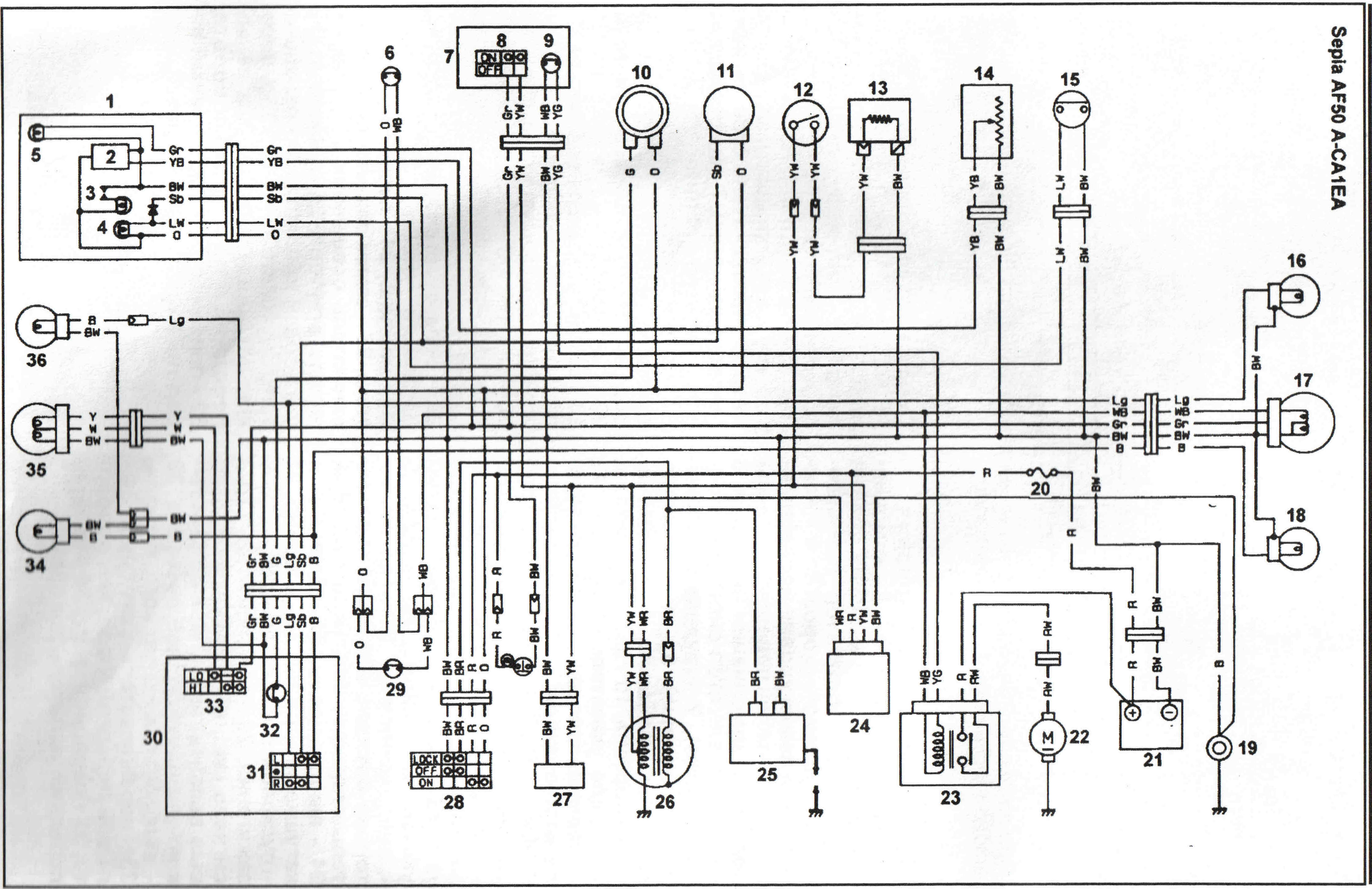
Прилагаю схему электропроводки. На ней YW (желто-белый) провод выходит из генератора и в узле расходится на переключатель света и на реле-регулятор. Далее, к переключателю света приходит YW провод, в переключателе он закорачивается на Gr (серый) провод. Этот провод идет к переключателю "Дальний/Ближний свет" и проходя его, выходит на одну из спиралей лампочки. Я так понял, что по YW и Gr проводам идет переменный ток напрямую из генератора. Прав ли я или нет?

Заранее спасибо.

Вложение:
567.jpg
567.jpg [ 1005.25 KiB | Просмотров: 5387 ]


Вернуться наверх
 Профиль  
 
Показать сообщения за:  Сортировать по:  
Начать новую тему Ответить на тему  [ 1 сообщение ] 

Часовой пояс: UTC + 3 часа


Кто сейчас на форуме

Сейчас этот форум просматривают: нет зарегистрированных пользователей и гости: 30





© 2010-2026 scooter-remont.com   О сайте Контакты   Политика конфиденциальности