SCOOTER-REMONT.COM - самостоятельное обслуживание, ремонт, тюнинг скутеров и мопедов. Решение проблем, обмен информацией, общение

Часовой пояс: UTC + 3 часа




Начать новую тему Ответить на тему  [ Сообщений: 9 ] 
Автор Сообщение
 Заголовок сообщения: Ремонт Honda Crea Scoopy
СообщениеДобавлено: 28 мар 2012, 22:28 
Не в сети
Интересующийся
Интересующийся
Зарегистрирован: 28 мар 2012, 22:26
Сообщений: 3
Пункты репутации: 0
Помогите найти электрическую схему на Хонда Креа скупи. весь нет облазил безрезультатно.


Вернуться наверх
 Профиль  
 
 Заголовок сообщения: Re: схему на Хонда Креа Скупи
СообщениеДобавлено: 29 мар 2012, 08:32 
Не в сети
Техподдержка
Техподдержка
Аватар пользователя
Зарегистрирован: 26 авг 2011, 21:02
Сообщений: 748
Транспорт: Honda Lead AF-20
Пункты репутации: 1289
МотолюбительМотолюбительМотолюбительМотолюбительМотолюбитель
beyvbaraban писал(а):
Помогите найти электрическую схему на Хонда Креа скупи. весь нет облазил безрезультатно.

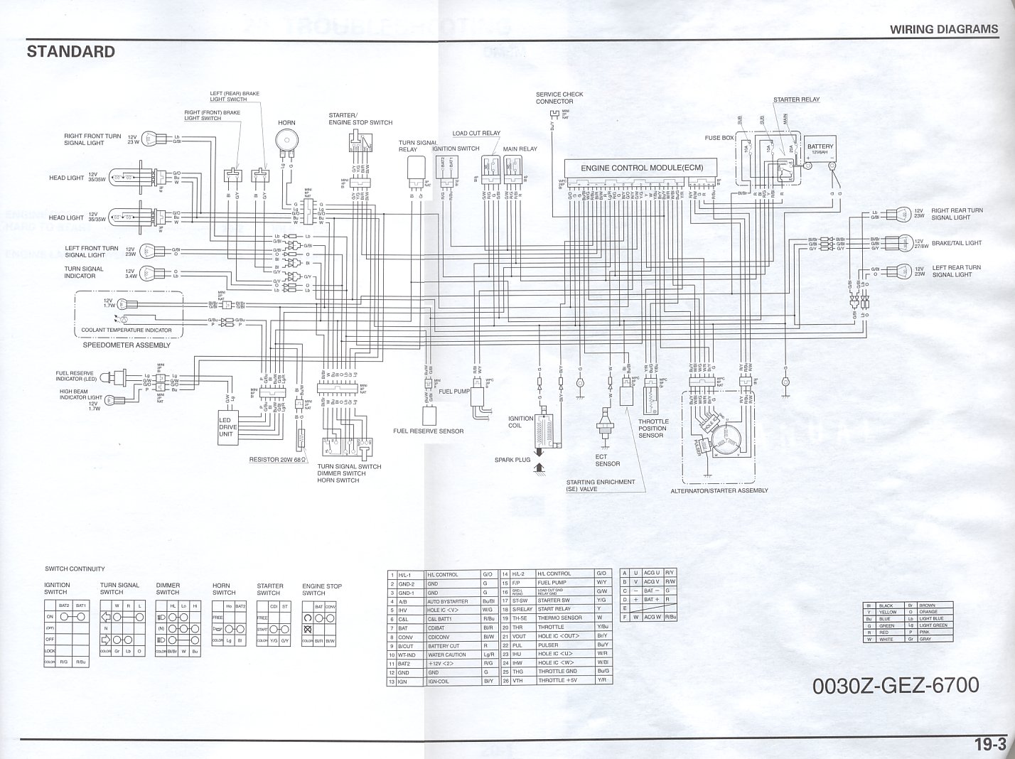
Естественно, на русском языке такой схемы вы нигде не найдете, а так, пожалуйста:


Вложения:
Комментарий к файлу: Схема электрооборудования Honda Scoopy Crea
elektroshema-honda-scoopy-crea.jpg
elektroshema-honda-scoopy-crea.jpg [ 258.48 KiB | Просмотров: 8888 ]

_________________
:dr_ink: Есть вопрос - задавай. Знаешь ответ на вопрос - ответь. Основное правило форума - помощь друг другу.
:ga-ze-ta; Для просмотра последних тем, перейдите по ссылке "Активные темы" ниже панели Входа-Выхода, по возможности ответьте.
Вернуться наверх
 Профиль  
 
 Заголовок сообщения: Re: схему на Хонда Креа Скупи
СообщениеДобавлено: 29 мар 2012, 09:07 
Не в сети
Интересующийся
Интересующийся
Зарегистрирован: 28 мар 2012, 22:26
Сообщений: 3
Пункты репутации: 0
Спасибо большое ! буду разбираться. При включении зажигания сгорает 10А предохранитель на аккумуляторе.


Вернуться наверх
 Профиль  
 
 Заголовок сообщения: Re: схему на Хонда Креа Скупи
СообщениеДобавлено: 29 мар 2012, 11:06 
Не в сети
Техподдержка
Техподдержка
Аватар пользователя
Зарегистрирован: 26 авг 2011, 21:02
Сообщений: 748
Транспорт: Honda Lead AF-20
Пункты репутации: 1289
МотолюбительМотолюбительМотолюбительМотолюбительМотолюбитель
Где-то замыкание, ищите.

_________________
:dr_ink: Есть вопрос - задавай. Знаешь ответ на вопрос - ответь. Основное правило форума - помощь друг другу.
:ga-ze-ta; Для просмотра последних тем, перейдите по ссылке "Активные темы" ниже панели Входа-Выхода, по возможности ответьте.


Вернуться наверх
 Профиль  
 
 Заголовок сообщения: Re: схему на Хонда Креа Скупи
СообщениеДобавлено: 30 мар 2012, 09:06 
Не в сети
Интересующийся
Интересующийся
Зарегистрирован: 28 мар 2012, 22:26
Сообщений: 3
Пункты репутации: 0
Выгорел керамическая пластина на обогатитель. Видимо там и коротало, поеду за новым обогатителем.


Вернуться наверх
 Профиль  
 
 Заголовок сообщения: Re: схему на Хонда Креа Скупи
СообщениеДобавлено: 30 мар 2012, 10:59 
Не в сети
Техподдержка
Техподдержка
Аватар пользователя
Зарегистрирован: 26 авг 2011, 21:02
Сообщений: 748
Транспорт: Honda Lead AF-20
Пункты репутации: 1289
МотолюбительМотолюбительМотолюбительМотолюбительМотолюбитель
beyvbaraban писал(а):
Выгорел керамическая пластина на обогатитель. Видимо там и коротало, поеду за новым обогатителем.

Не забудьте снять свой предварительно, и взять с собой. Продавцы могут втулить что угодно.

_________________
:dr_ink: Есть вопрос - задавай. Знаешь ответ на вопрос - ответь. Основное правило форума - помощь друг другу.
:ga-ze-ta; Для просмотра последних тем, перейдите по ссылке "Активные темы" ниже панели Входа-Выхода, по возможности ответьте.


Вернуться наверх
 Профиль  
 
 Заголовок сообщения: Re: Ремонт Honda Crea Scoopy
СообщениеДобавлено: 30 июн 2014, 16:40 
Не в сети
Интересующийся
Интересующийся
Зарегистрирован: 30 авг 2013, 13:18
Сообщений: 7
Транспорт: 139qmb
Пункты репутации: -10
у тебя такой блок с предохранителями?


Вложения:
IMG_2048.JPG
IMG_2048.JPG [ 143.69 KiB | Просмотров: 7231 ]

_________________
www.ruszud.com
Вернуться наверх
 Профиль  
 
 Заголовок сообщения: Re: Ремонт Honda Crea Scoopy
СообщениеДобавлено: 30 июн 2014, 19:13 
Не в сети
Уважаемый
Уважаемый
Зарегистрирован: 27 авг 2013, 19:09
Сообщений: 3583
Откуда: Красноярский кр, Курагинский р-он
Транспорт: Dio28 SepiaZZ JogZ2
Electra писал(а):
у тебя такой блок с предохранителями?

-на дату обрати внимание... Автор уде давно поседел, не дождавшись твоего поста...

_________________
Обслуживание Ремонт Тюнинг скутеров мопедов
Запчасти новые и б.у. с разборки тел: 89233978854

[email protected]
http://www.vk.com/club65117765
https://ok.ru/group/57622667198508


Вернуться наверх
 Профиль  
 
 Заголовок сообщения: Re: Ремонт Honda Crea Scoopy
СообщениеДобавлено: 29 окт 2017, 16:24 
Не в сети
Интересующийся
Интересующийся
Аватар пользователя
Зарегистрирован: 29 окт 2017, 15:05
Сообщений: 1
Транспорт: Honda Crea Scoopy
Пункты репутации: 0
Всем привет! Помогите советом, а может кто и делом!
У жены Honda Crea Scoopy скорее всего 2002 года рождения. Японец. Жрёт масло и падает максималка, уже больше 47 км/ч не едет даже с горы. Никогда не ремонтировался. Хочу отдать в хорошему мастеру на ремонт. Подскажите кто занимается ремонтом такой техники!


Вернуться наверх
 Профиль  
 
Показать сообщения за:  Сортировать по:  
Начать новую тему Ответить на тему  [ Сообщений: 9 ] 

Часовой пояс: UTC + 3 часа


Кто сейчас на форуме

Сейчас этот форум просматривают: нет зарегистрированных пользователей и гости: 112





© 2010-2026 scooter-remont.com   О сайте Контакты   Политика конфиденциальности