SCOOTER-REMONT.COM - самостоятельное обслуживание, ремонт, тюнинг скутеров и мопедов. Решение проблем, обмен информацией, общение

Часовой пояс: UTC + 3 часа




Начать новую тему Ответить на тему  [ Сообщений: 269 ] 

На страницу Пред.  1 ... 6, 7, 8, 9, 10, 11, 12 ... 14  След.

Автор Сообщение
СообщениеДобавлено: 26 авг 2015, 11:36 
Не в сети
Уважаемый
Уважаемый
Зарегистрирован: 27 авг 2013, 19:09
Сообщений: 3583
Откуда: Красноярский кр, Курагинский р-он
Транспорт: Dio28 SepiaZZ JogZ2
-стоковый -нет...

_________________
Обслуживание Ремонт Тюнинг скутеров мопедов
Запчасти новые и б.у. с разборки тел: 89233978854

[email protected]
http://www.vk.com/club65117765
https://ok.ru/group/57622667198508


Вернуться наверх
 Профиль  
 
СообщениеДобавлено: 26 авг 2015, 14:01 
Не в сети
Интересующийся
Интересующийся
Аватар пользователя
Зарегистрирован: 17 июн 2015, 12:01
Сообщений: 21
Откуда: Алтайский край
Транспорт: Yamaha Super Jog ZR 3YK.
Пункты репутации: 0
Длина амортизатора замеряется по осям крепежных болтов?


Вернуться наверх
 Профиль  
 
СообщениеДобавлено: 26 авг 2015, 17:12 
Не в сети
Уважаемый
Уважаемый
Зарегистрирован: 27 авг 2013, 19:09
Сообщений: 3583
Откуда: Красноярский кр, Курагинский р-он
Транспорт: Dio28 SepiaZZ JogZ2
ddk230708 писал(а):
Длина амортизатора замеряется по осям крепежных болтов?

-да...

_________________
Обслуживание Ремонт Тюнинг скутеров мопедов
Запчасти новые и б.у. с разборки тел: 89233978854

[email protected]
http://www.vk.com/club65117765
https://ok.ru/group/57622667198508


Вернуться наверх
 Профиль  
 
СообщениеДобавлено: 03 сен 2015, 17:43 
Не в сети
Интересующийся
Интересующийся
Зарегистрирован: 03 сен 2015, 17:35
Сообщений: 1
Транспорт: Yamaxa jog
Пункты репутации: 0
Yamaxa Jog Едет только с закрытым воздуханом. Когда воздухан открыт, даешь газу - глохнет. В чем причина?


Вернуться наверх
 Профиль  
 
СообщениеДобавлено: 04 сен 2015, 03:38 
Не в сети
Уважаемый
Уважаемый
Зарегистрирован: 27 авг 2013, 19:09
Сообщений: 3583
Откуда: Красноярский кр, Курагинский р-он
Транспорт: Dio28 SepiaZZ JogZ2
adidASS писал(а):
Yamaxa Jog Едет только с закрытым воздуханом. Когда воздухан открыт, даешь газу - глохнет. В чем причина?
-грязный топливный фильтр и вакуумный кран...
-грязный карб...
-подсос во впускном -трещина...
подсос через сальники...

_________________
Обслуживание Ремонт Тюнинг скутеров мопедов
Запчасти новые и б.у. с разборки тел: 89233978854

[email protected]
http://www.vk.com/club65117765
https://ok.ru/group/57622667198508


Вернуться наверх
 Профиль  
 
СообщениеДобавлено: 27 сен 2015, 13:46 
Не в сети
Интересующийся
Интересующийся
Зарегистрирован: 27 сен 2015, 13:26
Сообщений: 3
Транспорт: yamaha jog nextzone
Пункты репутации: 0
Добрый день. Помогите, пожалуйста, решить небольшую проблемку.
Yamaha jog nextzone на холодную заводиться, но не реагирует на ручку газа. Работает только на холостом ходу. Глохнет самостоятельно, или при одновременном выкручивании ручки газа и нажатии тормоза. Если минут 5-10 поработает, то через пол-часика заводиться нормально. Карбюратор промывали, пусковой обогатитель поменяли, пересмотрели мотор и поменяли фильтра. Что может быть ещё? Подскажите, почему утром завести нельзя, а днём мотается как угорелый.


Вернуться наверх
 Профиль  
 
СообщениеДобавлено: 27 сен 2015, 16:44 
Не в сети
Уважаемый
Уважаемый
Зарегистрирован: 27 авг 2013, 19:09
Сообщений: 3583
Откуда: Красноярский кр, Курагинский р-он
Транспорт: Dio28 SepiaZZ JogZ2
svetlana1 писал(а):
Yamaha jog nextzone на холодную заводиться, но не реагирует на ручку газа. Работает только на холостом ходу. Глохнет самостоятельно, или при одновременном выкручивании ручки газа и нажатии тормоза. Если минут 5-10 поработает, то через пол-часика заводиться нормально. Карбюратор промывали, пусковой обогатитель поменяли, пересмотрели мотор и поменяли фильтра. Что может быть ещё? Подскажите, почему утром завести нельзя, а днём мотается как угорелый.
-бедная смесь при запуске на холодную... какой цвет нагара на свече?
-чем и как мыли карб?
-иногда обогатитель нужно настроить... (купили китайский -не настроенный). старый обогатитель рабочий?

воздушный фильтр пропитать побольше...

_________________
Обслуживание Ремонт Тюнинг скутеров мопедов
Запчасти новые и б.у. с разборки тел: 89233978854

[email protected]
http://www.vk.com/club65117765
https://ok.ru/group/57622667198508


Вернуться наверх
 Профиль  
 
СообщениеДобавлено: 28 сен 2015, 10:35 
Не в сети
Интересующийся
Интересующийся
Зарегистрирован: 27 сен 2015, 13:26
Сообщений: 3
Транспорт: yamaha jog nextzone
Пункты репутации: 0
А как настроить обогатитель, если он электрический.


Вернуться наверх
 Профиль  
 
СообщениеДобавлено: 28 сен 2015, 14:18 
Не в сети
Уважаемый
Уважаемый
Зарегистрирован: 27 авг 2013, 19:09
Сообщений: 3583
Откуда: Красноярский кр, Курагинский р-он
Транспорт: Dio28 SepiaZZ JogZ2
svetlana1 писал(а):
А как настроить обогатитель, если он электрический.

-там резьба есть... но нужно понимать что крутить и зачем...
-не ответили на вопросы...

_________________
Обслуживание Ремонт Тюнинг скутеров мопедов
Запчасти новые и б.у. с разборки тел: 89233978854

[email protected]
http://www.vk.com/club65117765
https://ok.ru/group/57622667198508


Вернуться наверх
 Профиль  
 
СообщениеДобавлено: 28 сен 2015, 17:04 
Не в сети
Интересующийся
Интересующийся
Зарегистрирован: 27 сен 2015, 13:26
Сообщений: 3
Транспорт: yamaha jog nextzone
Пункты репутации: 0
Извините, исправлюсь.
Карбюратор мыл брат, чем не знаю. Они с другом разбирали и карбюратор и мотор. Он у меня по машинам, так что думаю знает чем. Но если это важно, я, обязательно, спрошу.
А свечку ещё не смотрели. Я сама, думаю, не справлюсь, а брат после суток отсыпается.


Вернуться наверх
 Профиль  
 
СообщениеДобавлено: 29 сен 2015, 05:47 
Не в сети
Интересующийся
Интересующийся
Аватар пользователя
Зарегистрирован: 17 июн 2015, 12:01
Сообщений: 21
Откуда: Алтайский край
Транспорт: Yamaha Super Jog ZR 3YK.
Пункты репутации: 0
Добрый день! Подскажите, грузики переднего вариатора должны быть в смазке или нет? В одной из статей прочитал, что нужна консистентная смазка, разобрал свой, смазки нет.


Вернуться наверх
 Профиль  
 
СообщениеДобавлено: 29 сен 2015, 15:01 
Не в сети
Уважаемый
Уважаемый
Зарегистрирован: 27 авг 2013, 19:09
Сообщений: 3583
Откуда: Красноярский кр, Курагинский р-он
Транспорт: Dio28 SepiaZZ JogZ2
ddk230708 писал(а):
Добрый день! Подскажите, грузики переднего вариатора должны быть в смазке или нет? В одной из статей прочитал, что нужна консистентная смазка, разобрал свой, смазки нет.
-ни кто не скажет... бывают варики закрытые где смазка есть... бывают открытые -но и там можно смазать тонким слоем(намажешь больше -выбросит центробежкой)... я мажу...

_________________
Обслуживание Ремонт Тюнинг скутеров мопедов
Запчасти новые и б.у. с разборки тел: 89233978854

[email protected]
http://www.vk.com/club65117765
https://ok.ru/group/57622667198508


Вернуться наверх
 Профиль  
 
СообщениеДобавлено: 29 ноя 2015, 20:54 
Не в сети
Интересующийся
Интересующийся
Зарегистрирован: 29 ноя 2015, 20:45
Сообщений: 3
Транспорт: Yamaha Joq sa36
Всем привет!
Такая проблема...купил yamaha joq sa 36, пока аккумулятор заряжен скутер едет отлично..но со временем аккумулятор теряет заряд, свет становится очень тусклым, повороты не мигают, а просто горят и тут мопед просто перестает ехать, теряет обороты и вследствие глохнет.
Предположительно проблема в том, что скутер не дает заряд на аккум.
Заменил реле напряжения, ситуация не изменилась.
При осмотре скутера увидел 2 белых провода залипших, их фишка фиксатор валялась на двигателе полностью расплавленная..
В инете нашел схему проводки увидел, что эти 2 белых провода идут от генератора в выпрямителю.
Но что делать дальше? что проверять и как?
Может у кого-то была подобная ситуация.
Заранее спасибо за помощь!


Вернуться наверх
 Профиль  
 
СообщениеДобавлено: 30 ноя 2015, 06:22 
Не в сети
Уважаемый
Уважаемый
Зарегистрирован: 27 авг 2013, 19:09
Сообщений: 3583
Откуда: Красноярский кр, Курагинский р-он
Транспорт: Dio28 SepiaZZ JogZ2
фото скинь -проводов... куда идут дальше... схему скинь -укажи их на схеме...

_________________
Обслуживание Ремонт Тюнинг скутеров мопедов
Запчасти новые и б.у. с разборки тел: 89233978854

[email protected]
http://www.vk.com/club65117765
https://ok.ru/group/57622667198508


Вернуться наверх
 Профиль  
 
СообщениеДобавлено: 30 ноя 2015, 11:32 
Не в сети
Интересующийся
Интересующийся
Зарегистрирован: 29 ноя 2015, 20:45
Сообщений: 3
Транспорт: Yamaha Joq sa36
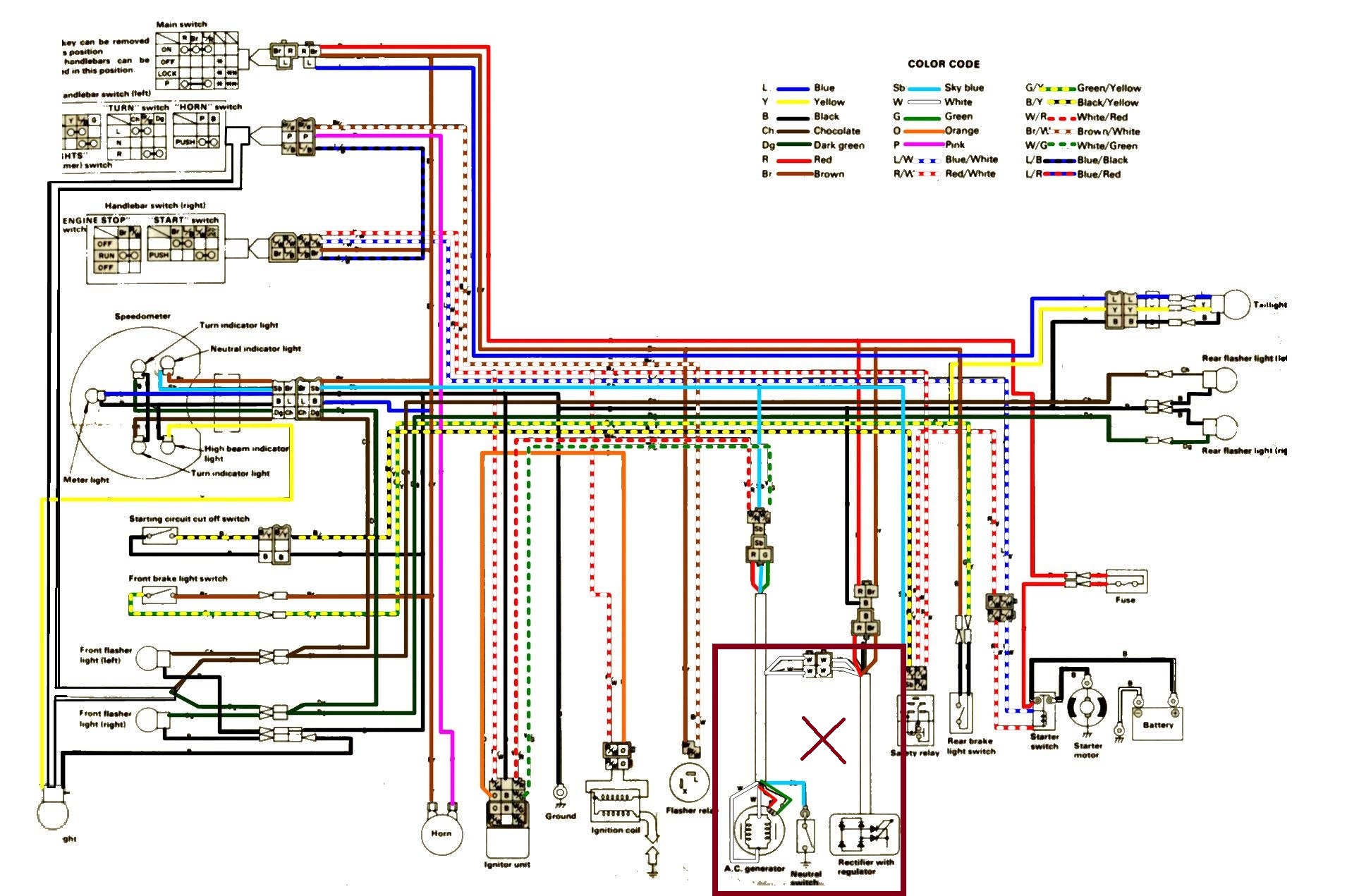
куда провода идут непонятно, так как их целый жгут в обмотке..пока не хотелось бы всё это разрезать и прослеживать с чем они соединяются..
схему могу скинуть, но толку от нее очень мало, так как схемы именно по ямахе джог 36 я не нашел..а в этой просто обнаружил необходимые мне провода, на схеме выделил нужную часть.


Вложения:
IMG_0417.JPG
IMG_0417.JPG [ 573.64 KiB | Просмотров: 29872 ]
Вернуться наверх
 Профиль  
 
СообщениеДобавлено: 30 ноя 2015, 11:41 
Не в сети
Интересующийся
Интересующийся
Зарегистрирован: 29 ноя 2015, 20:45
Сообщений: 3
Транспорт: Yamaha Joq sa36
я так понимаю для начала нужно попрозванивать эту часть проводки?
и еще смущает то, что скутер перестает ехать, когда аккумулятор разрядился..такое чувство, что он не на бензине едет, а от заряда батареи..или на этом скутере так и должно быть?
просто до этого была хонда дио 27, так там таких проблем не было, если аккумулятор разряжен.


Вернуться наверх
 Профиль  
 
СообщениеДобавлено: 30 ноя 2015, 15:46 
Не в сети
Уважаемый
Уважаемый
Зарегистрирован: 27 авг 2013, 19:09
Сообщений: 3583
Откуда: Красноярский кр, Курагинский р-он
Транспорт: Dio28 SepiaZZ JogZ2
miron4ikden писал(а):
смущает то, что скутер перестает ехать, когда аккумулятор разрядился..такое чувство, что он не на бензине едет, а от заряда батареи..или на этом скутере так и должно быть?
просто до этого была хонда дио 27, так там таких проблем не было, если аккумулятор разряжен.
-все модели разные, и по разному реализована схема электропитания... какая марка двигателя? какой коммутатор?
-внимательно осмотри эту фишку с белыми проводами. устрани замыкание между ними. если фишка расплавлена -обреж провода и соедини в скрутку. возможно конечно что и генератор уже подгорел. проверить на этих проводах питание -переменка 15-16в...

_________________
Обслуживание Ремонт Тюнинг скутеров мопедов
Запчасти новые и б.у. с разборки тел: 89233978854

[email protected]
http://www.vk.com/club65117765
https://ok.ru/group/57622667198508


Вернуться наверх
 Профиль  
 
СообщениеДобавлено: 08 фев 2016, 13:39 
Не в сети
Интересующийся
Интересующийся
Аватар пользователя
Зарегистрирован: 17 июн 2015, 12:01
Сообщений: 21
Откуда: Алтайский край
Транспорт: Yamaha Super Jog ZR 3YK.
Пункты репутации: 0
Подскажите какое масло льётся в редуктор Yamaha Super Jog ZR 3YK


Вернуться наверх
 Профиль  
 
СообщениеДобавлено: 08 фев 2016, 14:01 
Не в сети
Уважаемый
Уважаемый
Зарегистрирован: 27 авг 2013, 19:09
Сообщений: 3583
Откуда: Красноярский кр, Курагинский р-он
Транспорт: Dio28 SepiaZZ JogZ2
трансмиссионное. для редукторов и коробок.
можно налить ТАД-17 ТАП-16...

_________________
Обслуживание Ремонт Тюнинг скутеров мопедов
Запчасти новые и б.у. с разборки тел: 89233978854

[email protected]
http://www.vk.com/club65117765
https://ok.ru/group/57622667198508


Вернуться наверх
 Профиль  
 
СообщениеДобавлено: 08 фев 2016, 16:16 
Не в сети
Интересующийся
Интересующийся
Аватар пользователя
Зарегистрирован: 17 июн 2015, 12:01
Сообщений: 21
Откуда: Алтайский край
Транспорт: Yamaha Super Jog ZR 3YK.
Пункты репутации: 0
А по классификации API GL-4 или GL-5?. Не охота чет минералку лить, от машины немного осталось, а подойдёт или нет не знаю.


Вернуться наверх
 Профиль  
 
Показать сообщения за:  Сортировать по:  
Начать новую тему Ответить на тему  [ Сообщений: 269 ] 

На страницу Пред.  1 ... 6, 7, 8, 9, 10, 11, 12 ... 14  След.


Часовой пояс: UTC + 3 часа


Кто сейчас на форуме

Сейчас этот форум просматривают: нет зарегистрированных пользователей и гости: 33





© 2010-2026 scooter-remont.com   О сайте Контакты   Политика конфиденциальности