  | 
				 
			
				
					| Интересующийся | 
				 
			
				
					  | 
				 
			
				 
				
					Зарегистрирован: 27 сен 2015, 14:39 Сообщений: 1
						 Транспорт: Yamaha poshe
					 Пункты репутации: 0
  
				
			 | 
			
				
				
					| 
					
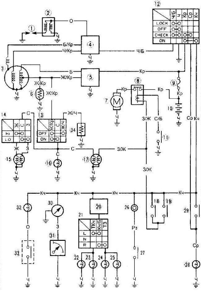
						 Помогите разобраться с проблемой скутер yamaha poshe!!! при замене замка зажигания(после кражи) все подключил по схеме нет искры а когда вытаскиваеш аккумулятор то есть искра, но при выключенном замке зажигания, вчем проблема добрые люди подскажите спс!!!
  P.S. методом своего подключения добился что заводиться с кика и в правильном положении замка !но как только подключаещь аккумулятор сразу глохнет, то есть про подает напрочь искра.
 
  замок 5 проводной вот схемма 
					
						
  
						
						
							| Вложения:  | 
						 
						
							
								
			  
			orig-5.jpg [ 90.13 KiB | Просмотров: 4065 ]
		
		 
	 | 
							 
						
						 
					
						
					 | 
				 
				 
			 |