SCOOTER-REMONT.COM - самостоятельное обслуживание, ремонт, тюнинг скутеров и мопедов. Решение проблем, обмен информацией, общение

Часовой пояс: UTC + 3 часа




Начать новую тему Ответить на тему  [ Сообщений: 38 ] 

На страницу 1, 2  След.

Автор Сообщение
СообщениеДобавлено: 18 апр 2014, 15:18 
Не в сети
Интересующийся
Интересующийся
Зарегистрирован: 18 апр 2014, 15:11
Сообщений: 21
Транспорт: suzuki hi up r
Пункты репутации: 0
Вложение:
168.jpg
168.jpg [ 58.73 KiB | Просмотров: 31675 ]
Такая проблема, у меня есть скутер suzuki hi up r стоял 4 года, еле еле завел, теперь заводится но только если долго дрочить кикстартер, и разгоняется до 40-45 кмч загорается кнопка speed и сам начинает тормозить примерно до 30 кмч на ручку газа не реагирует в этот момент, как сбросит снова начинает разгоняться до 40 и все повторяется, подскажите что можно сделать?
P.S. все запчасти оригинальные японские, пробег около 4т.


Вернуться наверх
 Профиль  
 
 Заголовок сообщения: Re: suzuki hi up r
СообщениеДобавлено: 18 апр 2014, 16:42 
Не в сети
Уважаемый
Уважаемый
Зарегистрирован: 27 авг 2013, 19:09
Сообщений: 3583
Откуда: Красноярский кр, Курагинский р-он
Транспорт: Dio28 SepiaZZ JogZ2
dzhostik123 писал(а):
Такая проблема, у меня есть скутер suzuki hi up r стоял 4 года, еле еле завел, теперь заводится но только если долго дрочить кикстартер, и разгоняется до 40-45 кмч загорается кнопка speed и сам начинает тормозить примерно до 30 кмч на ручку газа не реагирует в этот момент, как сбросит снова начинает разгоняться до 40 и все повторяется, подскажите что можно сделать?
P.S. все запчасти оригинальные японские, пробег около 4т.

-стоял четыре года. Весь зарос и заржавел. Даже там где была смазка -она давно высохла и превратилась в камень. Все снимать, смотреть, ревизировать. Мыть, чистить, смазывать начиная от подшипников колес, заканчивая тросиками.
Карб, фильтр, топливную магистраль, трансмиссию и т.д....

-4т по какому кругу? 1-2-3? Мопед выпуска до 90г...
-какая компрессия?

_________________
Обслуживание Ремонт Тюнинг скутеров мопедов
Запчасти новые и б.у. с разборки тел: 89233978854

[email protected]
http://www.vk.com/club65117765
https://ok.ru/group/57622667198508


Вернуться наверх
 Профиль  
 
 Заголовок сообщения: Re: Suzuki HI-UP R
СообщениеДобавлено: 18 апр 2014, 21:38 
Не в сети
Интересующийся
Интересующийся
Зарегистрирован: 18 апр 2014, 15:11
Сообщений: 21
Транспорт: suzuki hi up r
Пункты репутации: 0
1 круг, компрессию пока нет возможности проверить, не вроде как нормальная по ощущениям


Вернуться наверх
 Профиль  
 
 Заголовок сообщения: Re: Suzuki HI-UP R
СообщениеДобавлено: 18 апр 2014, 21:40 
Не в сети
Интересующийся
Интересующийся
Зарегистрирован: 18 апр 2014, 15:11
Сообщений: 21
Транспорт: suzuki hi up r
Пункты репутации: 0
карб почистил фильтр тоже топливо идет, но еще не поставил, а что с трансмиссией?


Вернуться наверх
 Профиль  
 
 Заголовок сообщения: Re: Suzuki HI-UP R
СообщениеДобавлено: 19 апр 2014, 03:43 
Не в сети
Уважаемый
Уважаемый
Зарегистрирован: 27 авг 2013, 19:09
Сообщений: 3583
Откуда: Красноярский кр, Курагинский р-он
Транспорт: Dio28 SepiaZZ JogZ2
dzhostik123 писал(а):
карб почистил фильтр тоже топливо идет, но еще не поставил, а что с трансмиссией?

-полная ревизия. Удалить пыль, грязь под крышкой вариатора. Промыть вариатор с внутренней стороны(пыль в канавках направляющих). Промыть, при необходимости заменить ролики. Проверить ширину ремня(при необходимости заменить). Разобрать, промыть и при необходимости смазать направляющие подвижных щек торка. Отревизировать сцепление...

-заменить масло в редукторе...

_________________
Обслуживание Ремонт Тюнинг скутеров мопедов
Запчасти новые и б.у. с разборки тел: 89233978854

[email protected]
http://www.vk.com/club65117765
https://ok.ru/group/57622667198508


Вернуться наверх
 Профиль  
 
 Заголовок сообщения: Re: Suzuki HI-UP R
СообщениеДобавлено: 19 апр 2014, 21:53 
Не в сети
Интересующийся
Интересующийся
Зарегистрирован: 18 апр 2014, 15:11
Сообщений: 21
Транспорт: suzuki hi up r
Пункты репутации: 0
Спасибо, как все сделаю отпишу :-):


Вернуться наверх
 Профиль  
 
 Заголовок сообщения: Re: Suzuki HI-UP R
СообщениеДобавлено: 20 апр 2014, 08:19 
Не в сети
Главный мотомеханик
Главный мотомеханик
Зарегистрирован: 22 май 2013, 21:45
Сообщений: 858
Транспорт: Vento Phanton R4i, Viper Activ 110
.....и проверить в каком состоянии пара - подвижная щека вариатора и втулка, по которой эта щека двигается. Она должна двигаться свободно, без прикусов и заеданий, но и болтаться не должна.


Вернуться наверх
 Профиль  
 
 Заголовок сообщения: Re: Suzuki HI-UP R
СообщениеДобавлено: 20 апр 2014, 21:43 
Не в сети
Интересующийся
Интересующийся
Зарегистрирован: 18 апр 2014, 15:11
Сообщений: 21
Транспорт: suzuki hi up r
Пункты репутации: 0
вообщем такая ситуация:
1)не заводится со стартера, даже горячий, а с ножки с 1-2 тычка
2)раньше по рассказам владельцев гнал до 65-70 кмч, сейчас пытался больше 40 не идет,вот пока не залазил, но грешу на ремень или ролики, и еще так странно когда в холостую газую на полную дым из трубы не равномерно так выпрыгивает, и мотор набирает скидывает набирает скидывает обороты ну не равномерно вообщем работает


Вернуться наверх
 Профиль  
 
 Заголовок сообщения: Re: Suzuki HI-UP R
СообщениеДобавлено: 21 апр 2014, 04:24 
Не в сети
Уважаемый
Уважаемый
Зарегистрирован: 27 авг 2013, 19:09
Сообщений: 3583
Откуда: Красноярский кр, Курагинский р-он
Транспорт: Dio28 SepiaZZ JogZ2
dzhostik123 писал(а):
вообщем такая ситуация:
1)не заводится со стартера, даже горячий, а с ножки с 1-2 тычка
2)раньше по рассказам владельцев гнал до 65-70 кмч, сейчас пытался больше 40 не идет,вот пока не залазил, но грешу на ремень или ролики, и еще так странно когда в холостую газую на полную дым из трубы не равномерно так выпрыгивает, и мотор набирает скидывает набирает скидывает обороты ну не равномерно вообщем работает

-мерь компрессию.
-смотри сальники коленвала.
-проверяй и ревизируй трансмиссию.
-настраивай карб.

_________________
Обслуживание Ремонт Тюнинг скутеров мопедов
Запчасти новые и б.у. с разборки тел: 89233978854

[email protected]
http://www.vk.com/club65117765
https://ok.ru/group/57622667198508


Вернуться наверх
 Профиль  
 
 Заголовок сообщения: Re: Suzuki HI-UP R
СообщениеДобавлено: 21 апр 2014, 20:48 
Не в сети
Интересующийся
Интересующийся
Зарегистрирован: 18 апр 2014, 15:11
Сообщений: 21
Транспорт: suzuki hi up r
Пункты репутации: 0
Вобщем разобрал вариатор сальники вроде не подтекают, ролики и ремень убитые как и думал, завтра пойду покупать, не знаете вес какой нужен роликов а то весов нет, а еще такое вот сегодня было карбюратор настроил но на холодную с кика не заводился заткнул возд фильтр мин 5-10 дрочил и еле еле завел, может ли на это свеча влиять просто тоже старая думалю новую купить
Щеки в порядке


Вернуться наверх
 Профиль  
 
 Заголовок сообщения: Re: Suzuki HI-UP R
СообщениеДобавлено: 22 апр 2014, 03:22 
Не в сети
Уважаемый
Уважаемый
Зарегистрирован: 27 авг 2013, 19:09
Сообщений: 3583
Откуда: Красноярский кр, Курагинский р-он
Транспорт: Dio28 SepiaZZ JogZ2
dzhostik123 писал(а):
Вобщем разобрал вариатор сальники вроде не подтекают, ролики и ремень убитые как и думал, завтра пойду покупать, не знаете вес какой нужен роликов а то весов нет, а еще такое вот сегодня было карбюратор настроил но на холодную с кика не заводился заткнул возд фильтр мин 5-10 дрочил и еле еле завел, может ли на это свеча влиять просто тоже старая думалю новую купить
Щеки в порядке

-бери 6г. Движке крутиться легче будет...
-значит не настроил....
-покупай свечу.
-и за одно компрессометр купи. он стоит 350-400р.

_________________
Обслуживание Ремонт Тюнинг скутеров мопедов
Запчасти новые и б.у. с разборки тел: 89233978854

[email protected]
http://www.vk.com/club65117765
https://ok.ru/group/57622667198508


Вернуться наверх
 Профиль  
 
 Заголовок сообщения: Re: Suzuki HI-UP R
СообщениеДобавлено: 22 апр 2014, 08:05 
Не в сети
Интересующийся
Интересующийся
Зарегистрирован: 18 апр 2014, 15:11
Сообщений: 21
Транспорт: suzuki hi up r
Пункты репутации: 0
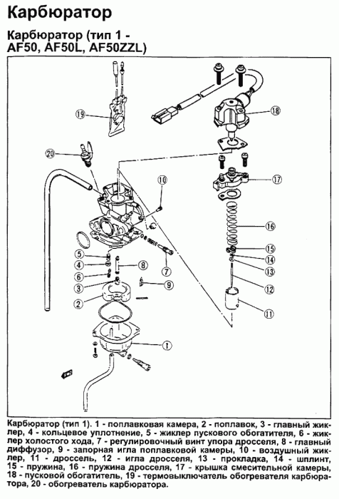
А как его регулировать, тахометра нет по номиналу 1800 оборотов. У меня на карбе только один винт холостого хода. Я закручивал на макс, потом 2,5 оборота открутил, завел, прогрел 10 мин и на мин обороты при которых не глохнет откручивал
Как правильно нужно сделать подскажите пожалуйста
Карбюратор mikuni тип 1 свеча влажная чуть чуть
Вложение:
MikuniType1.gif
MikuniType1.gif [ 38.73 KiB | Просмотров: 31830 ]

А вот еще на что я подумал, мб это пусковой обогатитель
https://scooter-remont.com/?p=3413
Симптом:Если скутер заводится после долгого и изнурительного применения кикстартера, но при этом компрессия в норме, карбюратор чист, а уровень топлива в поплавковой камере находится в правильном положении, следует также задуматься о неисправности пускового обогатителя и проверить его.


Вернуться наверх
 Профиль  
 
 Заголовок сообщения: Re: Suzuki HI-UP R
СообщениеДобавлено: 22 апр 2014, 14:19 
Не в сети
Уважаемый
Уважаемый
Зарегистрирован: 27 авг 2013, 19:09
Сообщений: 3583
Откуда: Красноярский кр, Курагинский р-он
Транспорт: Dio28 SepiaZZ JogZ2
dzhostik123 писал(а):
А как его регулировать, тахометра нет по номиналу 1800 оборотов. У меня на карбе только один винт холостого хода. Я закручивал на макс, потом 2,5 оборота открутил, завел, прогрел 10 мин и на мин обороты при которых не глохнет откручивал
Как правильно нужно сделать подскажите пожалуйста
Карбюратор mikuni тип 1 свеча влажная чуть чуть
А вот еще на что я подумал, мб это пусковой обогатитель
https://scooter-remont.com/?p=3413
Симптом:Если скутер заводится после долгого и изнурительного применения кикстартера, но при этом компрессия в норме, карбюратор чист, а уровень топлива в поплавковой камере находится в правильном положении, следует также задуматься о неисправности пускового обогатителя и проверить его.

-не нужен тахометр. регулируешь холостые чтоб не глох, работал стабильно прогретый.
-раз один винт -качество настраивается пропиткой поролона. Больше пропитал -богаче, меньше -беднее. Смотреть цвет нагара на свече...
-на пусковом обогатителе сверху есть винт под плоскую отвертку -регулировка поднятия заслонки на холодную. закручиваешь -поднимаешь(обогащаешь). Закрути на 1 оборот -мало еще добавишь...
-на холодную заводишь -обороты большие? Потом после прогрева постепенно падают?

_________________
Обслуживание Ремонт Тюнинг скутеров мопедов
Запчасти новые и б.у. с разборки тел: 89233978854

[email protected]
http://www.vk.com/club65117765
https://ok.ru/group/57622667198508


Вернуться наверх
 Профиль  
 
 Заголовок сообщения: Re: Suzuki HI-UP R
СообщениеДобавлено: 22 апр 2014, 21:31 
Не в сети
Интересующийся
Интересующийся
Зарегистрирован: 18 апр 2014, 15:11
Сообщений: 21
Транспорт: suzuki hi up r
Пункты репутации: 0
Когда завожу ручкой газа играю, газую на полную он раскручивается не не сразу сек 5 до макс оборотов, и потом ручку отпускаю и он до холостых сбрасывает, бывает глохнет, но со 2 раза уже норм, когда горячий вообще нормально держит.
Свечка сыроватая


Вернуться наверх
 Профиль  
 
 Заголовок сообщения: Re: Suzuki HI-UP R
СообщениеДобавлено: 23 апр 2014, 22:53 
Не в сети
Интересующийся
Интересующийся
Зарегистрирован: 18 апр 2014, 15:11
Сообщений: 21
Транспорт: suzuki hi up r
Пункты репутации: 0
1)Купил новй ремень и ролики ремень 668х16,8 меньше не было, ролики по стандарту 6,5 были только еще 7,5 теперь очень вялый разгон и разгон только до 40
Какие ролики посоветуете. Пружина торка очень тугая
Так же все почемуто когда холосую газую на макс оборотах дым начинает дрожать из глушителя и мотор нестабильно работает(не держит макс обороты)


Вернуться наверх
 Профиль  
 
 Заголовок сообщения: Re: Suzuki HI-UP R
СообщениеДобавлено: 24 апр 2014, 03:48 
Не в сети
Уважаемый
Уважаемый
Зарегистрирован: 27 авг 2013, 19:09
Сообщений: 3583
Откуда: Красноярский кр, Курагинский р-он
Транспорт: Dio28 SepiaZZ JogZ2
dzhostik123 писал(а):
1)Купил новй ремень и ролики ремень 668х16,8 меньше не было, ролики по стандарту 6,5 были только еще 7,5 теперь очень вялый разгон и разгон только до 40
Какие ролики посоветуете. Пружина торка очень тугая
Так же все почемуто когда холосую газую на макс оборотах дым начинает дрожать из глушителя и мотор нестабильно работает(не держит макс обороты)

-ремень пойдет.
-ролики наверно тяжеловаты будут(похоже у тебя уже поршневая подуставшая, силенок у нее не хватает.Все таки замерь компрессию -спроси у любого мезаника, на СТО). Поставь 5-5.5г.
-может у тебя глушак забит? покатайся километра два. Подними на подножку. Поднеси ладонь к выхлопу на расстояние 2-3 см. и дай газ на полную. Если в течении 30 сек. руку не сможешь удержать(горячий выхлоп обжигает) -чисть, мой, прожигай глушак...

_________________
Обслуживание Ремонт Тюнинг скутеров мопедов
Запчасти новые и б.у. с разборки тел: 89233978854

[email protected]
http://www.vk.com/club65117765
https://ok.ru/group/57622667198508


Вернуться наверх
 Профиль  
 
 Заголовок сообщения: Re: Suzuki HI-UP R
СообщениеДобавлено: 24 апр 2014, 06:55 
Не в сети
Интересующийся
Интересующийся
Зарегистрирован: 18 апр 2014, 15:11
Сообщений: 21
Транспорт: suzuki hi up r
Пункты репутации: 0
Я вот тож на глушак подумал, а вот если я новую цпг хочу заказать 60сс, как думаете и шде лучше взять и какую (может сайт какой подскажете)


Вернуться наверх
 Профиль  
 
 Заголовок сообщения: Re: Suzuki HI-UP R
СообщениеДобавлено: 24 апр 2014, 07:08 
Не в сети
Уважаемый
Уважаемый
Зарегистрирован: 27 авг 2013, 19:09
Сообщений: 3583
Откуда: Красноярский кр, Курагинский р-он
Транспорт: Dio28 SepiaZZ JogZ2
dzhostik123 писал(а):
Я вот тож на глушак подумал, а вот если я новую цпг хочу заказать 60сс, как думаете и шде лучше взять и какую (может сайт какой подскажете)

-ни чего не подскажу... Интернет магазинами не пользуюсь... Или беру на рынке, или заказываю с Японии, Тайваня... Все зависит от желания клиента...
-а за колено не боишься? Скутер старый, пробежал не один круг. Подшипники уже устали... Хорошего колена на сузуки не купить... Не та модель чтоб тюнить...

_________________
Обслуживание Ремонт Тюнинг скутеров мопедов
Запчасти новые и б.у. с разборки тел: 89233978854

[email protected]
http://www.vk.com/club65117765
https://ok.ru/group/57622667198508


Вернуться наверх
 Профиль  
 
 Заголовок сообщения: Re: Suzuki HI-UP R
СообщениеДобавлено: 24 апр 2014, 11:24 
Не в сети
Интересующийся
Интересующийся
Зарегистрирован: 18 апр 2014, 15:11
Сообщений: 21
Транспорт: suzuki hi up r
Пункты репутации: 0
Ну хотя бы стандартную 50сс а где заказать японии тайваня и сколько в цене просто хочется чтоб качественная была а то с сайта закажешь а там лажа какая нить


Вернуться наверх
 Профиль  
 
 Заголовок сообщения: Re: Suzuki HI-UP R
СообщениеДобавлено: 24 апр 2014, 11:44 
Не в сети
Интересующийся
Интересующийся
Зарегистрирован: 18 апр 2014, 15:11
Сообщений: 21
Транспорт: suzuki hi up r
Пункты репутации: 0
Как на счет этих?


Вложения:
image.jpg
image.jpg [ 100.25 KiB | Просмотров: 31800 ]
image.jpg
image.jpg [ 108.27 KiB | Просмотров: 31800 ]
Вернуться наверх
 Профиль  
 
Показать сообщения за:  Сортировать по:  
Начать новую тему Ответить на тему  [ Сообщений: 38 ] 

На страницу 1, 2  След.


Часовой пояс: UTC + 3 часа


Кто сейчас на форуме

Сейчас этот форум просматривают: нет зарегистрированных пользователей и гости: 38





© 2010-2026 scooter-remont.com   О сайте Контакты   Политика конфиденциальности