SCOOTER-REMONT.COM - самостоятельное обслуживание, ремонт, тюнинг скутеров и мопедов. Решение проблем, обмен информацией, общение

Часовой пояс: UTC + 3 часа




Начать новую тему Ответить на тему  [ Сообщений: 81 ] 

На страницу Пред.  1, 2, 3, 4, 5  След.

Автор Сообщение
СообщениеДобавлено: 30 июн 2014, 03:03 
Не в сети
Уважаемый
Уважаемый
Зарегистрирован: 27 авг 2013, 19:09
Сообщений: 3583
Откуда: Красноярский кр, Курагинский р-он
Транспорт: Dio28 SepiaZZ JogZ2
gonzo писал(а):
Почему скутер со стартера пытается завести,как бы на половину завелся,либо не заводится,но пытается,стартер крутит хорошо,далее не заводится со стартера,с брелка если секунд 10 держать кнопку заводится,стоит завести с брелка и заглушить,как со стартера то же заводится,а изначально не хочет,кто то говорил из знакомых мол лампочка мощная стоит на стопе и из-за этого не запускается,заменил лампочку на родную(новая была каплю мощнее) не помогло,проблема осталась,как исправить?холостые добавил но не помогает,скутер 2 тактный.

-не мучай стартер. пора обслужить топливную систему... Вакуумник, фильтр, карб, воздушный фильтр. Грамотно настроить карб -должен заводиться после долгого простоя с 3 пинка лапки...

_________________
Обслуживание Ремонт Тюнинг скутеров мопедов
Запчасти новые и б.у. с разборки тел: 89233978854

[email protected]
http://www.vk.com/club65117765
https://ok.ru/group/57622667198508


Вернуться наверх
 Профиль  
 
СообщениеДобавлено: 04 июл 2014, 22:08 
Не в сети
Интересующийся
Интересующийся
Зарегистрирован: 04 июл 2014, 21:54
Сообщений: 1
Транспорт: UMC модель: UM49QT-12E
Пункты репутации: 0
Вечер добрый! Подскажите в чем может быть дело, начал плавится провод минусовой который идет на предохранитель, и при этом не могу запустить скутер с кнопки! Провода просмотрел от акб и далее вроде разрывов нет, в чем может быть дело? За ранее спасибо! Скутер UMC UM49QT-12E


Вернуться наверх
 Профиль  
 
 Заголовок сообщения: Проблема с пуском двигателя
СообщениеДобавлено: 06 июл 2014, 18:07 
Не в сети
Интересующийся
Интересующийся
Зарегистрирован: 06 июл 2014, 17:57
Сообщений: 1
Транспорт: Meiduo MD50QT-9
Пункты репутации: 0
Мопед Meiduo MD50QT-9.
Мопед не заводится с электро-стартера на холодную. Кик-стартер работает отлично.
Началось всё после зимы, до зимы всё было нормально. Стоял зиму в холодном гараже. Весной заводить, еле как завели, электро-стартер работал только сразу после остановки двигателя (в течение 5 секунд можно было его завести - это сразу после того как двигатель заглушил) чуть позже - и всё.
Да, кстати, если подёргать заслонку (накачать бензин что-ли) то кое-кое как заведётся может быть.
Думал, что просто пора чистить карбюратор, карбюратор оказался чистым. Поставил всё как было, с электро-стартера ни в какую, с кик-стартера заводился, НО, пропала тяга, на полных оборотах еле ехал, решил купить новый карбюратор, купил, поставил, появилась тяга - с электро-стартера стал заводится, НО только на горячую, на холодную ни в какую. Аккумулятор новый, свеча тоже, с искрой всё в порядке, фильтр воздушный новый, шланги, провода всё целое. Поршневая ещё вроде не уработана, всего второй сезон езжу. Какие ещё проблемы могут быть?


Вернуться наверх
 Профиль  
 
 Заголовок сообщения: Re: Проблема с пуском двигателя
СообщениеДобавлено: 06 июл 2014, 18:32 
Не в сети
Уважаемый
Уважаемый
Зарегистрирован: 27 авг 2013, 19:09
Сообщений: 3583
Откуда: Красноярский кр, Курагинский р-он
Транспорт: Dio28 SepiaZZ JogZ2
AndrG писал(а):
Мопед Meiduo MD50QT-9.
Мопед не заводится с электро-стартера на холодную. Кик-стартер работает отлично.
Началось всё после зимы, до зимы всё было нормально. Стоял зиму в холодном гараже.

-а кто меж сезонную подготовку будет делать?... и консервацию на зиму?...
AndrG писал(а):
Думал, что просто пора чистить карбюратор, карбюратор оказался чистым.
-как определил?
AndrG писал(а):
Поставил всё как было, с электро-стартера ни в какую, с кик-стартера заводился, НО, пропала тяга, на полных оборотах еле ехал,
-промой и настрой карб...
Вложение:
khBIqPk3e34.jpg
khBIqPk3e34.jpg [ 13.06 KiB | Просмотров: 10565 ]
AndrG писал(а):
Поршневая ещё вроде не уработана, всего второй сезон езжу.
-замерь компрессию... поршневую можно убить и за 5км ...
AndrG писал(а):
Какие ещё проблемы могут быть?
-не настроен карб, не правильно настроены зазоры на клапанах... забиты фильтра тонкой и грубой очистки топлива...

_________________
Обслуживание Ремонт Тюнинг скутеров мопедов
Запчасти новые и б.у. с разборки тел: 89233978854

[email protected]
http://www.vk.com/club65117765
https://ok.ru/group/57622667198508


Вернуться наверх
 Профиль  
 
 Заголовок сообщения: Проблема со стартером и запуском
СообщениеДобавлено: 22 июл 2014, 15:55 
Не в сети
Интересующийся
Интересующийся
Зарегистрирован: 22 июл 2014, 15:49
Сообщений: 1
Транспорт: Tachila Roller 150 китай
Пункты репутации: 0
Китайский скутер 150 куб. перестал работать стартер с кнопки, то есть он подаёт признаки жизни иногда цокает, а иногда и крутнёт разок, но толку нет, думал аккумулятор, но фишка в том что когда нажимаешь на кнопочку запуска с пультика сигнализации, то стартер прекрасно крутится и заводит скутер с пол пинка! Вот не знаю что делать чтобы с кнопки стартера заводился! Помогите пожалуйста!


Вернуться наверх
 Профиль  
 
СообщениеДобавлено: 12 авг 2014, 08:29 
Не в сети
Интересующийся
Интересующийся
Зарегистрирован: 12 авг 2014, 08:25
Сообщений: 1
Транспорт: ranger (gtxm50c)
Пункты репутации: 0
Здравствуйте! У меня такая проблема: в один прекрасный момент мой скутер (ranger (gtxm50c)) перестал заводиться с кнопки электростартера (хотя с кик-стартера, заводится свободно). При включении поворотов трещит реле поворотов, а при нажатии сигнала трещит сигнал. Аккомулятор новый. Предохранитель работает. В чем проблема? Где ее искать? Заранее спасибо.


Вернуться наверх
 Профиль  
 
СообщениеДобавлено: 12 авг 2014, 17:11 
Не в сети
Уважаемый
Уважаемый
Зарегистрирован: 27 авг 2013, 19:09
Сообщений: 3583
Откуда: Красноярский кр, Курагинский р-он
Транспорт: Dio28 SepiaZZ JogZ2
Igor Karyakin писал(а):
перестал заводиться с кнопки электростартера (хотя с кик-стартера, заводится свободно). При включении поворотов трещит реле поворотов, а при нажатии сигнала трещит сигнал. Аккомулятор новый. Предохранитель работает. В чем проблема?
-АКБ не держит ток. замерь напряжение под нагрузкой -подключи вольтметр и смотри напругу при включении сигнала и электростартера. возможно окислился или заржавел контакт массы на раме...

_________________
Обслуживание Ремонт Тюнинг скутеров мопедов
Запчасти новые и б.у. с разборки тел: 89233978854

[email protected]
http://www.vk.com/club65117765
https://ok.ru/group/57622667198508


Вернуться наверх
 Профиль  
 
СообщениеДобавлено: 13 авг 2014, 15:32 
Не в сети
Интересующийся
Интересующийся
Аватар пользователя
Зарегистрирован: 13 авг 2014, 15:04
Сообщений: 32
Откуда: Россия. Московская обл. г. Дмитров
Транспорт: Нонда Дио 18
Пункты репутации: 22
Мотолюбитель
Давненько на сайт не заглядывал и даже прежнюю регу утратил, заново сделал, хотя инфа с сайта идёт по подписке. Прежде был статус "Гуру". Но это не важно.
Пишу в тему запуска скута с кнопки.
Дело в том. что при первичном запуске холодного двигателя смесь слабая и для неё требуется сильная искра. Стартер же потребляет изрядную мощность и просаживает возможности искрообразования. Здесь говорилось об установке более мощного акб. Разумно вроде, но ход не совсем верный. Тут вступает в конфликт вся система энергообеспечения! Она рассчитана предельно, и часто тюнинг, дополнительные лампочки или светодиоды, уже перегружают её, а более мощный акб, естественно тоже грузит и в сути не способен зарядиться полностью. Тёплый двигатель, без дополнительных проблем, может заводиться уже с кнопки. Лично я, особенно в прохладное время, кроме всего прочего ещё и чуть прокачиваю двигатель киком без включенного зажигания и лишь потом завожу киком. Да и вообще стараюсь стартером не пользоваться без особой нужды. При больших нагрузках акб внутри как бы корёжит и он быстрей стареет и выходит из строя, а стартер даёт предельные нагрузки...

_________________
Ездить - хорошо, а хорошо ездить - прекрасно.


Вернуться наверх
 Профиль  
 
СообщениеДобавлено: 17 авг 2014, 17:18 
Не в сети
Интересующийся
Интересующийся
Зарегистрирован: 09 июл 2014, 18:11
Сообщений: 1
Транспорт: Racer Lupus 125cc
Пункты репутации: 0
SLEDOPIT писал(а):
Стартер же потребляет изрядную мощность и просаживает возможности искрообразования. Здесь говорилось об установке более мощного акб.


Зажигание в китайских скутерах от аккумулятора не зависит. Скутер можно и без аккумулятора с ножки завести, предварительно оторвав от замка зажигания только один проводок. :-):


Вернуться наверх
 Профиль  
 
СообщениеДобавлено: 17 авг 2014, 18:51 
Не в сети
Уважаемый
Уважаемый
Зарегистрирован: 27 авг 2013, 19:09
Сообщений: 3583
Откуда: Красноярский кр, Курагинский р-он
Транспорт: Dio28 SepiaZZ JogZ2
Fic писал(а):
SLEDOPIT писал(а):
Стартер же потребляет изрядную мощность и просаживает возможности искрообразования. Здесь говорилось об установке более мощного акб.


Зажигание в китайских скутерах от аккумулятора не зависит. Скутер можно и без аккумулятора с ножки завести, предварительно оторвав от замка зажигания только один проводок. :-):

-предварительно отсоеднив АКБ или вытащив предохранитель...

_________________
Обслуживание Ремонт Тюнинг скутеров мопедов
Запчасти новые и б.у. с разборки тел: 89233978854

[email protected]
http://www.vk.com/club65117765
https://ok.ru/group/57622667198508


Вернуться наверх
 Профиль  
 
СообщениеДобавлено: 26 сен 2014, 00:23 
Не в сети
Интересующийся
Интересующийся
Зарегистрирован: 26 сен 2014, 00:14
Сообщений: 6
Транспорт: Nexus F22 2T
Пункты репутации: 0
Привет Всем! Проблема такова - с кика мокик(Nexus F22 2T) отлично заводится, что с акумом что без, но со стартера ни в какую, крутит бодро. Масса хорошая, свеча новая, заряд на акум идет(правда последнее время без аккума проверял 7-9 вольт показывало на холостых), искра с кика отличная, со стартера либо слабая, либо ее вообще нет. В чем может быть проблема, 2 коммутатора один эффект. Акум заряжен. Кулен с рук) В машинах хорошо разбираюсь, а это чудо уже 3 день осилить не могу, проводку востановил, на вид новая поршневая 75см2 кажется 47 поршень, компрессия 6 кгм(кстати какая у него должна быть?) Но если по делу, то щас интересует почему нет искры или слабая с перебоями от стартера... повторюсь с кика искра отличная, акум заряжен.

п.с. проверил катушку, первичная обмотка 0.4 ома, вторичная 1.78 кОм, причем вторичная звониться с обеих клем + и -, с минуса 1.79, с плюса 1.78 кОм. Читал что должная только с + вроде и начинаться с 2.8 кОм заканчиваться ~5 кОм

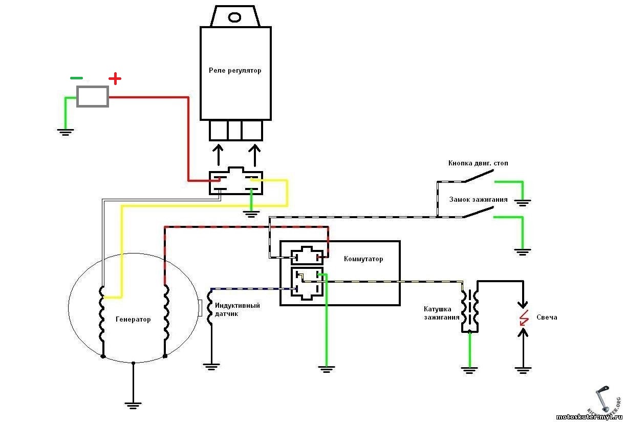
п.с.с проводка сопли, восстанавливал как мог, контакты коммутатора и регулятора делал по схеме:


Вложения:
irbis.jpg
irbis.jpg [ 107.66 KiB | Просмотров: 10177 ]
Вернуться наверх
 Профиль  
 
СообщениеДобавлено: 26 сен 2014, 04:30 
Не в сети
Уважаемый
Уважаемый
Зарегистрирован: 27 авг 2013, 19:09
Сообщений: 3583
Откуда: Красноярский кр, Курагинский р-он
Транспорт: Dio28 SepiaZZ JogZ2
sandryu писал(а):
Привет Всем! Проблема такова - с кика мокик(Nexus F22 2T) отлично заводится, что с акумом что без, но со стартера ни в какую, крутит бодро. Масса хорошая, свеча новая, заряд на акум идет(правда последнее время без аккума проверял 7-9 вольт показывало на холостых), искра с кика отличная, со стартера либо слабая, либо ее вообще нет. В чем может быть проблема, 2 коммутатора один эффект. Акум заряжен. Кулен с рук) В машинах хорошо разбираюсь, а это чудо уже 3 день осилить не могу, проводку востановил, на вид новая поршневая 75см2 кажется 47 поршень, компрессия 6 кгм(кстати какая у него должна быть?) Но если по делу, то щас интересует почему нет искры или слабая с перебоями от стартера... повторюсь с кика искра отличная, акум заряжен.

п.с. проверил катушку, первичная обмотка 0.4 ома, вторичная 1.78 кОм, причем вторичная звониться с обеих клем + и -, с минуса 1.79, с плюса 1.78 кОм. Читал что должная только с + вроде и начинаться с 2.8 кОм заканчиваться ~5 кОм

п.с.с проводка сопли, восстанавливал как мог, контакты коммутатора и регулятора делал по схеме:
-что то садит переменку при заводке электростартером. АКБ много берет при зарядке... не исправен обогатитель...
-компрессия должна быть 10-14...
-попробуй завести со стартера без реле регулятора.
-попробуй пододвинуть ближе индуктивный датчик.

_________________
Обслуживание Ремонт Тюнинг скутеров мопедов
Запчасти новые и б.у. с разборки тел: 89233978854

[email protected]
http://www.vk.com/club65117765
https://ok.ru/group/57622667198508


Вернуться наверх
 Профиль  
 
СообщениеДобавлено: 26 сен 2014, 08:29 
Не в сети
Интересующийся
Интересующийся
Зарегистрирован: 26 сен 2014, 00:14
Сообщений: 6
Транспорт: Nexus F22 2T
Пункты репутации: 0
las писал(а):
-что то садит переменку при заводке электростартером. АКБ много берет при зарядке... не исправен обогатитель...
-компрессия должна быть 10-14...
-попробуй завести со стартера без реле регулятора.
-попробуй пододвинуть ближе индуктивный датчик.


Обогатителя вроде нету) или как он выглядит)))
Как разберусь со стартом, поменяю кольца и прокладки на голове.
Без релюхи вроде не заводит, точно не помню, попробую еще раз.
Датчик в упор стоит, зазор на глаз 0.5-0.7 мм!


Вернуться наверх
 Профиль  
 
СообщениеДобавлено: 26 сен 2014, 16:35 
Не в сети
Уважаемый
Уважаемый
Зарегистрирован: 27 авг 2013, 19:09
Сообщений: 3583
Откуда: Красноярский кр, Курагинский р-он
Транспорт: Dio28 SepiaZZ JogZ2
sandryu писал(а):
Обогатителя вроде нету) или как он выглядит)))
Как разберусь со стартом, поменяю кольца и прокладки на голове.
Без релюхи вроде не заводит, точно не помню, попробую еще раз.
Датчик в упор стоит, зазор на глаз 0.5-0.7 мм!

-обогатитель черный пластмассовый с проводом, на карбе...
-судя по схеме -должен заводиться. коммутатор от переменки...
-датчик попробуй еще уменьшить...

_________________
Обслуживание Ремонт Тюнинг скутеров мопедов
Запчасти новые и б.у. с разборки тел: 89233978854

[email protected]
http://www.vk.com/club65117765
https://ok.ru/group/57622667198508


Вернуться наверх
 Профиль  
 
СообщениеДобавлено: 26 сен 2014, 17:50 
Не в сети
Интересующийся
Интересующийся
Зарегистрирован: 26 сен 2014, 00:14
Сообщений: 6
Транспорт: Nexus F22 2T
Пункты репутации: 0
las писал(а):
-обогатитель черный пластмассовый с проводом, на карбе...
-судя по схеме -должен заводиться. коммутатор от переменки...
-датчик попробуй еще уменьшить...


А да, точно) я подумал, что обогатитель это типо насоса ускорительного. он стоит, вроде рабочий(был отключен, включил в сеть, когда нагревается, мокик уже не ахти работает, т.е. обороты падают).
Подскажи может быть компрессия 6 единиц еще из-за того что камера сгорания\влспламинения слишком большая? я просто сегодня был в магазине и аналогичный 80кубовый комплект смотрел, в крышке обьем на глаз кубика 2-3, а в моей как бы не 10-15...


Вложения:
_DSC0211.jpg
_DSC0211.jpg [ 792.84 KiB | Просмотров: 10150 ]
Вернуться наверх
 Профиль  
 
СообщениеДобавлено: 26 сен 2014, 18:33 
Не в сети
Уважаемый
Уважаемый
Зарегистрирован: 27 авг 2013, 19:09
Сообщений: 3583
Откуда: Красноярский кр, Курагинский р-он
Транспорт: Dio28 SepiaZZ JogZ2
sandryu писал(а):
-обогатитель ...он стоит, вроде рабочий(был отключен, включил в сеть, когда нагревается, мокик уже не ахти работает, т.е. обороты падают).
Подскажи может быть компрессия 6 единиц еще из-за того что камера сгорания\влспламинения слишком большая? я просто сегодня был в магазине и аналогичный 80кубовый комплект смотрел, в крышке обьем на глаз кубика 2-3, а в моей как бы не 10-15...

-та и должно быть... на холодную обороты большие. нагреется -обогатитель закроется и падают...
-теоретически нет... если и упадет, то не на столько... максимум на 1 кг. Твоя голова более подходит к 80сс...

_________________
Обслуживание Ремонт Тюнинг скутеров мопедов
Запчасти новые и б.у. с разборки тел: 89233978854

[email protected]
http://www.vk.com/club65117765
https://ok.ru/group/57622667198508


Вернуться наверх
 Профиль  
 
СообщениеДобавлено: 26 сен 2014, 19:49 
Не в сети
Интересующийся
Интересующийся
Зарегистрирован: 26 сен 2014, 00:14
Сообщений: 6
Транспорт: Nexus F22 2T
Пункты репутации: 0
тогда я не знаю что может быть)) завтра пойду куплю за 2.5к новую, вроде как карейскую поршневую, 80 кубиков.Родная, до текущей, была 49.9, как по катологу к мокику. Сейчас как продавец мокика мне говорил, то что стоит новая 80, на мой взгляд без износа, но на ней написано 72см2(я поменял кольца - компрессия не изменилась, еще был заменен лепестковый клапан, после чего он стал заметно лучше работать, но компрессия не сдвинулась) только если сравнивать, на мой взгляд крышка от 50ки, в магазине продавец говорил то что редко к китайским сетам приходит крышка, вот я и подумал что продавец мокика поменял поршневую без крышки, оставив от 50ки. Как я подумал, так эта крышка, которая сейчас стоит, под 80 бенз)) В общем я в замешательстве, почему такая компрессия маленькая, на форумах где-то чистал, пишут что у кого-то 6 норм, у кого то 10(т.е. на разнык моделях). Кстати мокик стал заводится нормально со стартера, тогда когда я зазор на свечи уменьшил примерно в 2 раза от нормы. п.с. провод поменял на коротки силиконовый, но толку 0)

В итоге 2 вопроса остаются... где компрессия и где норм искра от стартера)

п.с.с. кстати, где то на форумах читал, пишут что идеальная камера сгорания для 50-80 2.5 кубика при 92 бензне. факт ни факт, просто вспомнил.


Вернуться наверх
 Профиль  
 
СообщениеДобавлено: 27 сен 2014, 02:12 
Не в сети
Уважаемый
Уважаемый
Зарегистрирован: 27 авг 2013, 19:09
Сообщений: 3583
Откуда: Красноярский кр, Курагинский р-он
Транспорт: Dio28 SepiaZZ JogZ2
sandryu писал(а):
...я поменял кольца - компрессия не изменилась, еще был заменен лепестковый клапан, после чего он стал заметно лучше работать, но компрессия не сдвинулась...

В итоге 2 вопроса остаются... где компрессия и где норм искра от стартера)

п.с.с. кстати, где то на форумах читал, пишут что идеальная камера сгорания для 50-80 2.5 кубика при 92 бензне. факт ни факт, просто вспомнил.
-а может просто компрессометр врет...?
-про искру уже все писал...

_________________
Обслуживание Ремонт Тюнинг скутеров мопедов
Запчасти новые и б.у. с разборки тел: 89233978854

[email protected]
http://www.vk.com/club65117765
https://ok.ru/group/57622667198508


Вернуться наверх
 Профиль  
 
СообщениеДобавлено: 27 сен 2014, 07:19 
Не в сети
Интересующийся
Интересующийся
Зарегистрирован: 26 сен 2014, 00:14
Сообщений: 6
Транспорт: Nexus F22 2T
Пункты репутации: 0
c искрой еще попробую похимичить как ты писал. а компрессометр на 90% правильный) на моем 16клап ваз моторе показывает 14,5, после капиталки прошло пол года уже, так что с ним врядли проблемы :\

а если стоит прямоток) он может на компрессию влиять на 2Т?)


Вернуться наверх
 Профиль  
 
СообщениеДобавлено: 27 сен 2014, 17:50 
Не в сети
Уважаемый
Уважаемый
Зарегистрирован: 27 авг 2013, 19:09
Сообщений: 3583
Откуда: Красноярский кр, Курагинский р-он
Транспорт: Dio28 SepiaZZ JogZ2
sandryu писал(а):
c искрой еще попробую похимичить как ты писал. а компрессометр на 90% правильный) на моем 16клап ваз моторе показывает 14,5, после капиталки прошло пол года уже, так что с ним врядли проблемы :\

а если стоит прямоток) он может на компрессию влиять на 2Т?)
-на 2Т прямоток не ставят... может...

_________________
Обслуживание Ремонт Тюнинг скутеров мопедов
Запчасти новые и б.у. с разборки тел: 89233978854

[email protected]
http://www.vk.com/club65117765
https://ok.ru/group/57622667198508


Вернуться наверх
 Профиль  
 
Показать сообщения за:  Сортировать по:  
Начать новую тему Ответить на тему  [ Сообщений: 81 ] 

На страницу Пред.  1, 2, 3, 4, 5  След.


Часовой пояс: UTC + 3 часа


Кто сейчас на форуме

Сейчас этот форум просматривают: нет зарегистрированных пользователей и гости: 168





© 2010-2025 scooter-remont.com   О сайте Контакты   Политика конфиденциальности