SCOOTER-REMONT.COM - самостоятельное обслуживание, ремонт, тюнинг скутеров и мопедов. Решение проблем, обмен информацией, общение

Часовой пояс: UTC + 3 часа




Начать новую тему Ответить на тему  [ Сообщений: 3 ] 
Автор Сообщение
СообщениеДобавлено: 28 фев 2021, 19:36 
Не в сети
Опытный
Опытный
Зарегистрирован: 19 окт 2017, 00:50
Сообщений: 208
Транспорт: BAJAJ BOXER 150 X
Пункты репутации: 378
МотолюбительМотолюбитель
Добрый вечер. Скутер Mars. Двигатель 139 QMB 72сс., сток. Для профилактики весь разобрал. Все электронные компоненты с маркировкой GY6 - 125. При измерении мультиметром ( исправен, проверен в деле ) регулятора напряжения как показано здесь https://scooter-remont.com/?p=3128, выдаёт странные показания 549 ОМ ( при 2000 ОМ ) (именно ОМ, не кОМ ) только между АВ и все. При этом электрика скутера работает без проблем. Замеры исходящего напряжения годом ранее, норма. Измерил в доме мультиметром все лампочки и радиодетали с известными параметрами по ОМам, прибор в порядке, так в чём проблема регулятора, или её нет и это особенность его конструкции?


Вложения:
Screenshot_20210227_183657.jpg
Screenshot_20210227_183657.jpg [ 302.53 KiB | Просмотров: 2783 ]
Вернуться наверх
 Профиль  
 
 Заголовок сообщения: Re: Регулятор напряжения скутера
СообщениеДобавлено: 01 мар 2021, 06:17 
Не в сети
Опытный
Опытный
Зарегистрирован: 13 июн 2019, 02:44
Сообщений: 235
Транспорт: HONDA Eve, XINGYUE XY150T
Пункты репутации: 606
МотолюбительМотолюбительМотолюбитель
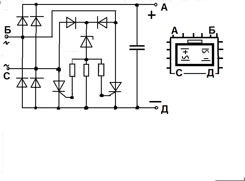
Доброго времени суток. Ну начнём с того, что стабилизаторы бывают двух типов шунтирующие и не шунтирующие. Шунтирующие предполагают обязательную нагрузку, иначе они начинают греться и в итоге выходят из строя, но они дешевле. Не шунтирующие могут работать и без нагрузки, но они дороже по этому на мота технику в основном устанавливают шунтирующие. Ещё они существуют одно фазные, и трёх фазные, это зависит от того какой генератор установлен на скутере. Но в Вашем случае как я понял одно фазный. Вот принципиальная схема однофазного выпрямителя. Она применяется практически на всей мало кубатурной мота технике.
Судя по Вашему описанию он все-таки не исправен (если замеры сделаны верно и так как Вы написали)и если Вы взяли во внимание, что замеры были сделаны СТРЕЛОЧНЫМ омметром, а не электронным китайским. В схеме на выходе есть конденсатор он может сбивать электронный. А напряжение выравнивается за счет аккумулятора но тогда он проживёт не долго.
Если знать, что диод пропускает только в одну сторону и в схеме они должны быть исправны, и все одинаковы по сопротивлению. Тогда я думаю, что можно сообразить когда на омметре будут
показания, а когда нет. Удачи.


Вложения:
регулятор напряжения скутера - копия.jpg
регулятор напряжения скутера - копия.jpg [ 57.65 KiB | Просмотров: 2770 ]
Вернуться наверх
 Профиль  
 
 Заголовок сообщения: Re: Регулятор напряжения скутера
СообщениеДобавлено: 01 мар 2021, 16:47 
Не в сети
Опытный
Опытный
Зарегистрирован: 19 окт 2017, 00:50
Сообщений: 208
Транспорт: BAJAJ BOXER 150 X
Пункты репутации: 378
МотолюбительМотолюбитель
Благодарю за ответ. Сегодня в магазине своим мультиметром проверил несколько аналогичных регуляторов напряжения. Также "бьётся" только АВ в диапазоне 549 (один) - 680 ОМ. Возможно моя модель электронного мультиметра не подходит для корректных измерений в данном случае, в силу указанной Вами причины.


Вернуться наверх
 Профиль  
 
Показать сообщения за:  Сортировать по:  
Начать новую тему Ответить на тему  [ Сообщений: 3 ] 

Часовой пояс: UTC + 3 часа


Кто сейчас на форуме

Сейчас этот форум просматривают: нет зарегистрированных пользователей и гости: 11





© 2010-2026 scooter-remont.com   О сайте Контакты   Политика конфиденциальности