SCOOTER-REMONT.COM - самостоятельное обслуживание, ремонт, тюнинг скутеров и мопедов. Решение проблем, обмен информацией, общение

Часовой пояс: UTC + 3 часа




Начать новую тему Ответить на тему  [ Сообщений: 54 ] 

На страницу Пред.  1, 2, 3  След.

Автор Сообщение
 Заголовок сообщения: Re: Угол Опережения Зажигания (УОЗ)
СообщениеДобавлено: 02 июн 2024, 14:53 
Не в сети
Опытный
Опытный
Аватар пользователя
Зарегистрирован: 07 май 2024, 14:29
Сообщений: 60
Транспорт: ALPHA FMB139 110cc
Пункты репутации: 130
Мотолюбитель
Хау дую дэнь-ки булы !!!
:-) :ya_hoo_oo:
Опять хорошее настроение... :a_g_a: Не к добру :-)
И так, карб ведёт себя прилично. Тарахтит с пол-тыка. Не удивлюсь, ежали мопедос начнёт сам заводиться, при приближении. Зашугал в корень.
Графики. А вот тут всё не просто. Мультик на отрез не хочет дружить с мототехникой. Бунт на корабле. Нормальной переменки на борту нет априори. Силовая обмотка гены режется замыканием по входу реле напряжения. И не отключишь. Питающая AC CDI сразу половинится диодом (один полупериод) в "короткую" на входе в коммут. Эстет, хренов. Чистый синус ему подавай. Главное и меандр жрёт с удовольствием, того и гляди, слюной забрызгает. А от рваного сигнала морду воротит... Дегустатор недоделанный. :-( Ведь была мысль осциллограф с собой взять, там то же частоколо-метер есть. Ладно, победю.
Без частоты RPM в граммах :-): не понятны. Тах, хоть и оттарирован на "вИсший сорт" viewtopic.php?f=8&t=5771 но это индикатор, а не прибор. Без точных оборотов хорошие графики не достижимы. ОЧЕНЬ ориентировочно, пока выглядит вот, так:

Вложение:
эмуль_C8_сток.gif
эмуль_C8_сток.gif [ 15.22 KiB | Просмотров: 5139 ]


где: чёрный, - это ИНСУЛЬТ. А толстенький салатный, - сток.
Инсульт понятно, делался одноразово и сразу в хламник. Без особых надежд. Главное он сделал. Доказал в железе работоспособность схемы. А внести изменения всегда можно. Я даже прокатнулся на нём, без усердия. Жестко работает на нижних-средних, да и из графика видно.
За-то, эмуль порадовал. Выявил, что C8 отменно влияет на географию входа-выхода перехода в целом (прочие тоненькие). А C3 и R4, как я ранее и предполагал, влияют на чувствительность по "сходу" с отметчика (убедился, прорисовывать не стал). Ухудшая её, удаётся выудить ещё около градуса добавки "поздняка". За счёт более позднего срабатывания от амплитуды отрицательного фронта. А это уже повод толкнуть индуктивный датчик в более раннюю позицию.
К чему... Сам по себе ИНСУЛЬТ уже умеет на 1*УОЗ шмалять позже стока, на ХХ и малых. А тут ещё добавка к блюду. Так и наскребётся ощутимо.
И не искать дружбы со сварщиком. К тому же, распитие алкоголя вредит лёгкости мышления :-)
Думаю, постепенно найду, кто отвечает и за точки входа-выхода в переключение по-отдельности.
Корячится рецидив. ИНСУЛЬТ II ;;-)))
Возникает вопрос, а на кой член-корреспондент залил эпоксидкой? Ну так РЕАЛЬНО удобнее. Чем только ради науки не пожертвуешь.
Для
Anton_77
Anton_77 писал(а):
Открыл я сезон на скутере ... ...На мопеде "сложнее", на каждой передаче практически с холостых до "переключательных" оборотов двигатель раскручиваешь.

Антон! Не представляешь, как помогаешь картину в целом увидеть. Реально, - Спасибо !!!
Про обороты на мопеде в "покатушках", там много схожего как у вас (скутеристов). Самые низы при трогании. В движении редко выползешь за "от 3'700 до 6'000". Но нюансов, - товарный вагон.
Как и говорил, чуть покатался на обоих коммутах. Но ничего вообще не скажу. Вовсе не из вредности. Просто в прошлом году, в последний предстояночный день, сменил ведущю звезду с 14 зубов, на 17 клыков (страшная теперь улыбка). Мопед как подменили. Полностью заново осваиваться. "Накатать опыт" не успел.
Чует сердечко, раз к теме не ослабевает интерес, чё-нить накопаю (то же мне, диггер).
Пока что так.


Вернуться наверх
 Профиль  
 
 Заголовок сообщения: Re: Угол Опережения Зажигания (УОЗ)
СообщениеДобавлено: 02 июн 2024, 18:25 
Не в сети
Мотомастер
Мотомастер
Зарегистрирован: 25 авг 2022, 10:52
Сообщений: 379
Транспорт: Racer BWS QMB 139 / VENTO SMART II
Пункты репутации: 535
МотолюбительМотолюбитель
"Про обороты на мопеде в "покатушках", там много схожего как у вас (скутеристов). Самые низы при трогании. В движении редко выползешь за "от 3'700 до 6'000". Но нюансов, - товарный вагон."

Приветствую!
Да, нюансов очень много у скутера.
Ролики полегче поставил-динамика возросла, но скорость упала на тех-же оборотах.
Сцепление центробежное: на "стоковых" пружинах старт допустим на 3500, поставить жесткие пружины старт уже на
6000(~ максимальный момент у мотора) будет , можно и "закозлить" скутер.
Сейчас у меня ролики 8гр. довольно резвый старт ,сцепление схватывает 4000-4500 .При 7000 скорость 60-65.
Завтра-послезавтра поставлю ролики 9гр. Динамика уменьшится, но 60-65 будет уже при меньших оборотах.
Тут нужно поймать золотую середину отталкиваясь от мощности двигателя, подобрать вес роликов,
тяговые обороты 6000-6500. Целая наука.
У мопеда проще , сменил ведущую звезду и тестируешь, угадал или нет.


Вернуться наверх
 Профиль  
 
 Заголовок сообщения: Re: Угол Опережения Зажигания (УОЗ)
СообщениеДобавлено: 03 июн 2024, 21:07 
Не в сети
Опытный
Опытный
Аватар пользователя
Зарегистрирован: 07 май 2024, 14:29
Сообщений: 60
Транспорт: ALPHA FMB139 110cc
Пункты репутации: 130
Мотолюбитель
Приветствую!
Посидел за компом с эмулем. Раз в самом изделии появилась уверенность, от чего же нет. На выхлопе получил первые СЕМЬ вариантов исполнения графика угол/обороты. Кому какой нравится (тут не все):

Вложение:
вариантыУОЗ.gif
вариантыУОЗ.gif [ 14.97 KiB | Просмотров: 5122 ]

Где чёрный, это когда все номиналы, как на схеме. Ну и в ИНСУЛЬТЕ, соответственно.
Пока, промежуточно, мне тёмно-синий приглянулся. Посмотрим. Там много вариантов. Забивать экран не стал.
Кстати, нижняя и верхняя границы расширить можно всем. На приведённом сборнике даже заметно, кому расширил, а кому, - нет. Не стал возюкаться. На трёх убедился, что доступно.
Всё, пауза. Но, вернусь. Будет, по всей видимости, РЕЦЕДИВ (повторный ИНСУЛЬТ), на корпусе которого будут торчать несколько пар дополнительных PINов. Захотел, один номинал подпаял. Захотел, другой. И характер поменялся.
Появлюсь.


Вернуться наверх
 Профиль  
 
 Заголовок сообщения: Re: Угол Опережения Зажигания (УОЗ)
СообщениеДобавлено: 04 июн 2024, 12:42 
Не в сети
Опытный
Опытный
Аватар пользователя
Зарегистрирован: 07 май 2024, 14:29
Сообщений: 60
Транспорт: ALPHA FMB139 110cc
Пункты репутации: 130
Мотолюбитель
Категорически! (С)Гоблин
Будет длинный пост.
Для Anton_77
Антон, выручай… Судя по всему, имеешь Gb.опыт юзания двигуна нашего класса, в составе скутера. Всё, что нашёл:

Вложение:
ТТХ_двигла.gif
ТТХ_двигла.gif [ 17.76 KiB | Просмотров: 5107 ]

Его, чё, реально гонять на восемь тыков? Он не распадётся на молекулы?
Ещё нашёл снятие ВСХ с мопеда на стенде, видео. Выхватил стоп-кадр. Вот цены бы ему не было, знать ЕГО передаточное отношение ДВС/колесо (т.к. ВСХ снята с роликового (колёсного) стенда). Как два пальца сложить и свиснуть, можно перекидать в ВСХ ДВС. Имеет ОГРОМНОЕ значение, для выведения идеального УОЗ. Там ПРЯМЫЕ зависимости и соотношения.
Вот стоп-кадр:

Вложение:
ВСХ альфа.jpg
ВСХ альфа.jpg [ 78.95 KiB | Просмотров: 5107 ]

А по опыту, как бы сам ответил на вопрос: «Какие обормоты самые тяговые, а какой обормот самый мощностной»
Абсолютно понимаю, что это совершенно интуитивно/субъективно, но всё же… (опыт не пропьёшь) :-)
Сидю, гадаю какой идеальный угол. Только не говори, что прямой…
На наших движках однозначно кривой УОЗ, а это не нормально. Производитель не стал усложнять. И сделал чуть лучше, чем на бензопиле или генераторе. Наш УОЗ всё же полу-статичный. Даже если в р-не maxP он норма, то чуть ниже по RPM будет избыточно ранним (зелёный график, верхняя «полка»). Либо верхняя полка умышленно ниже (чёрным), типо не идеал, но хоть двигло не разрушит. А ещё и точку maxNm очень хочется по УОЗ пройтись по ближе к норме... Идеалист...

Вложение:
УОЗ_комм.gif
УОЗ_комм.gif [ 14.3 KiB | Просмотров: 5107 ]

Всем оппонентам (умникам). Ответьте честно, куда качает помпа (на авто) из движка в радиатор, или из радиатора в движок? И почему? Зачем на ЗМЗ 406 есть метка на шестерне «паразитка» (делитель на два), ведь сама она ничего не вращает на оси? Мотористом не был никогда и не собираюсь. А 30% из них ответят криво.
Я не заносчивый зазнайка, я за техническое совершенство. Мне нравится, когда всё правильно работает, если это не затратно и осуществимо.

Будет очередная попытка снять график угла со стока. Буду пробовать победить частоколо-мЕтер (мультик) накинув ему лассо на шею (петлю (Гистерезиса)). Ткну транс мелкий, меж переменкой гены и мультиком. Должен «сожрать» все рваные участки синуса на эффекте обратимости намагничивания. Край, как нужны очень точные обормоты. А осциллограф хоть и переделан на возможность автоном.питание, но батареек не напасёшься, прожорливый.


Вернуться наверх
 Профиль  
 
 Заголовок сообщения: Re: Угол Опережения Зажигания (УОЗ)
СообщениеДобавлено: 05 июн 2024, 00:31 
Не в сети
Опытный
Опытный
Аватар пользователя
Зарегистрирован: 07 май 2024, 14:29
Сообщений: 60
Транспорт: ALPHA FMB139 110cc
Пункты репутации: 130
Мотолюбитель
Всё !!!
Разобрался со схемой (схема уже публичилась в начале ветки). ОЧЕНЬ ОБОБЩЁННО - УПРОЩЁННО:

Вложение:
УОЗ_сток.jpg
УОЗ_сток.jpg [ 30.94 KiB | Просмотров: 5099 ]

На большее, данная приблуда не способна. Да и не ожидалось.
Как я уже отмечал, есть две "полки", заданные отметчиком. Точка входа (обороты) в режим "регулирую" с нижней полки, и точка выхода из режима на верхней полке (обороты), эти точки выбрать МОЖНО.
А вот переместить сами "полки", НЕЛЬЗЯ.
И хоть тресни...
Так как С8 и С9 имеют общую точку соединения, то на "ИНСУЛЬТ II" будет достаточно трёх точек внешней "подпайки".
И, по настроению, хоть каждый день меняй номиналы, меняя поведение и характер коммута. И хрен больше чего с него выдавишь. На старте проекта, я так и декларировал. "Можно изменить точки входа/выхода в регулировку. Глубину регулировки задаёт отметчик, и изменению (без физического удлинения отметчика) не подлежит."
Это ни хорошо, ни плохо. Вполне ожидаемо.
Беру паузу.

Дополняю. Схему брал с форума у немцев. Происхождение явно заводское. Так как слишком заметен профессиональный подход к схемотехнике. Но, я даже объяснить не берусь как я это понял, в ней кто-то уже "побывал", изменив номиналы. С11 явно чуть больше ёмкости, соответственно мощнее искра. Но тем, кто не вылазит из-за руля по причине дальней поезки более ДВУХ часов, рекомендую воткнуть 1,2 мкФ. Чтоб КЗ не перегрелась. А то вздуется от удивления, выпучив глаза. Да и С8 не давал покоя ещё на старте проекта. Что и подтвердилось "жёсткой" работой на малых оборотах. Туда 130N просится. А так, ни чё. Профессионально. Исходя из начальных условий, лучше хрен чего придумаешь.
Вот теперь большая пауза.
Но ещё будет...


Вернуться наверх
 Профиль  
 
 Заголовок сообщения: Re: Угол Опережения Зажигания (УОЗ)
СообщениеДобавлено: 06 июн 2024, 20:55 
Не в сети
Мотомастер
Мотомастер
Зарегистрирован: 25 авг 2022, 10:52
Сообщений: 379
Транспорт: Racer BWS QMB 139 / VENTO SMART II
Пункты репутации: 535
МотолюбительМотолюбитель
Приветствую категорически .
У меня мотор немножко другой
Диаметр поршня 50мм ход поршня 41мм обьем цилиндра 81,3куб
Если сравнивать с табличкой по ТТХ
Максимальный момент так и есть 6000-6600.
Чтобы тронутся даю газ обороты взлетают до 7200-7300, потом падают до 6000, и идет бодрый разгон.
Растут обороты до 6800-7000(самые тяговые лошадиные силы, момент умноженный на обороты) на них и еду,
двигатель больше 7300 не раскручиваю.

Взял со скутер-клуб спб.
Технические характеристики двигателя #139QMB (GY6 50):
1 цилиндр, 4-х тактный, воздушно-принудительное охлаждение , автоматическая интегральная трансмиссия
Рабочий объем см. куб. :
- 49.57 (d цилиндра=39 мм) стоковая 50 cc
- 63.10 (d цилиндра=44 мм) продают как 65 сс
- 72.00 (d цилиндра=47 мм) продают как 72 сс
- 81.48 (d цилиндра=50 мм) продают как 82 сс
- 84.78 (d цилиндра=51 мм) продают как 82 или 85 сс
- 88,13 (d цилиндра=52 мм) продают как 90 или 100!! сс
Рабочий ход поршня, мм: 41.5
Макс. Мощность для d цилиндра=39 мм КВт/об. в мин.(л.с.): 2.0(2.72)/7500
Макс. Кутящий момент d цилиндра=39 мм (Нм/об. в мин ): 2.8/6000
У меня получается короткоходовый мотор, поршень 50мм а ход поршня 41,5 и момент возможно уходит в сторону высоких оборотов.


Вернуться наверх
 Профиль  
 
 Заголовок сообщения: Re: Угол Опережения Зажигания (УОЗ)
СообщениеДобавлено: 07 июн 2024, 10:20 
Не в сети
Мотомастер
Мотомастер
Зарегистрирован: 25 авг 2022, 10:52
Сообщений: 379
Транспорт: Racer BWS QMB 139 / VENTO SMART II
Пункты репутации: 535
МотолюбительМотолюбитель
мой тахометр


Вложения:
Тахометр.png
Тахометр.png [ 203.62 KiB | Просмотров: 5053 ]
Вернуться наверх
 Профиль  
 
 Заголовок сообщения: Re: Угол Опережения Зажигания (УОЗ)
СообщениеДобавлено: 07 июн 2024, 10:23 
Не в сети
Мотомастер
Мотомастер
Зарегистрирован: 25 авг 2022, 10:52
Сообщений: 379
Транспорт: Racer BWS QMB 139 / VENTO SMART II
Пункты репутации: 535
МотолюбительМотолюбитель
У меня два тахометра, один попроще, другой что на фотографии, показывают одинаково.


Вернуться наверх
 Профиль  
 
 Заголовок сообщения: Re: Угол Опережения Зажигания (УОЗ)
СообщениеДобавлено: 10 июн 2024, 13:19 
Не в сети
Опытный
Опытный
Аватар пользователя
Зарегистрирован: 07 май 2024, 14:29
Сообщений: 60
Транспорт: ALPHA FMB139 110cc
Пункты репутации: 130
Мотолюбитель
ДЛЯ Anton_77
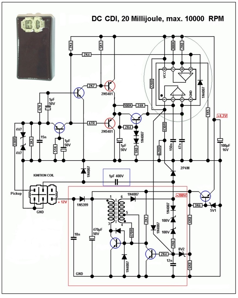
Неожиданно, в тобой приведённой схеме DC-CDI schematic .jpg имеется ошибка...
Слева на право, самый первый транзистор n-p-n проводимости, с подключением "общая база", коллектор-эмиттер должны быть на оборот. Твой пост от 12 мая.
Иначе, как он откроет следующий транзюк...
К тому же, этот момент противоречит с имеющимся у меня вариантом...
Не настаиваю, но переходы "база-эмиттер" на входных транзюках должны смотреть в сторону входящего сигнала.
Как-то так...
Мой вариант:

Вложение:
DC CDI version.jpg
DC CDI version.jpg [ 175.27 KiB | Просмотров: 4936 ]


В И-нете, гуляет сколько - хочешь "кривых" схем. Нарывался не единожды...


Вернуться наверх
 Профиль  
 
 Заголовок сообщения: Re: Угол Опережения Зажигания (УОЗ)
СообщениеДобавлено: 10 июн 2024, 19:56 
Не в сети
Мотомастер
Мотомастер
Зарегистрирован: 25 авг 2022, 10:52
Сообщений: 379
Транспорт: Racer BWS QMB 139 / VENTO SMART II
Пункты репутации: 535
МотолюбительМотолюбитель
"Слева на право, самый первый транзистор n-p-n проводимости, с подключением "общая база", коллектор-эмиттер должны быть на оборот. Твой пост от 12 мая."
Точняк, при такой схеме он на глушняк закрыт через 51к.
"В И-нете, гуляет сколько - хочешь "кривых" схем. Нарывался не единожды..."
согласен. Я если схему нашел подходящею, то просчитаю как она работает ,подправлю если требуется.
Иногда от схемы остаются место для подключения питания ;;-))) .


Вернуться наверх
 Профиль  
 
 Заголовок сообщения: Re: Угол Опережения Зажигания (УОЗ)
СообщениеДобавлено: 14 июн 2024, 16:48 
Не в сети
Опытный
Опытный
Аватар пользователя
Зарегистрирован: 07 май 2024, 14:29
Сообщений: 60
Транспорт: ALPHA FMB139 110cc
Пункты репутации: 130
Мотолюбитель
Здравия всем!
Если кто-то реально думает, что в Китае кто-то будет заморачиваться с УОЗ для Российского рынка, блажен в мечтаниях. Мы для них даже не среднего размера рынок сбыта. Так,.. Мелочь, но приятно. Большими рынками для сбыта мото-техники является Индия, Индонезия и прочая юго-восточная Азия. Где (на пример): Как-то в прошлом году, Роснефть прикупила среднюю по размерам заправочную сеть в Индии. На более чем 4’500 пунктов АЗС (ни ху-дожник, себе… и это СРЕДНЯЯ?). Та же картина в прочих странах региона. Как вы думаете, сколько там трудится нелегальных нефтяных самоваров (НПЗ), и какого качества там бензин. Соответственно китайцы (от греха подальше) закладывают слегка заниженный УОЗ. Кстати, та же картина была с ВАЗ 2110 и ГАЗ 3110 на первых сериях. Когда диагносты успешно рубили бабло, массово перепрошивая контроллеры за денюжку не малую, если клиент божился, что тарится только у оффициалов. Сейчас в России нефтяные самовары полнейшая экзотика. Как результат, контроллеры пошли без занижения угла, и перепрошивка, как услуга, сильно измельчала. :-)
Опираясь на разнообразнейшие описания теории искрового ДВС, наш угол занижен от оптимального на (минимум) ~3-5* вне сомнений. Значения занижения более 5* уже СПОРНЫ.
В моём, частном случае: Сама по себе схема ИНСУЛЬТа лупит на ~1*УОЗ позже на ХХ и малых, в отличии от стока. И на ~0,5-0,7*УОЗ раньше на высоких оборотах (от стока). НЕ МОЯ ЗАСЛУГА, явно ПРОФЕССИОНАЛЬНАЯ СХЕМОТЕХНИКА, лучше стока. Не зря зацепился... А сток хрен расковыряешь, для прорисовки. Кирпич из компаунда с PINами...
Кроме того, увеличив чувствительность по набегу на отметчик, по положительному фронту и занизив её же по сходу с отметчика, по отрицательному фронту, УДАЛОСЬ увеличить суммарную глубину регулировки ещё на (чуть более) 1,2*УОЗ.
А значит, появились обоснованные аргументы «толкнуть» индуктивный датчик на встречу вращения без последствий для ХХ и малых RPM. Ну и выхватить прирост опережения на 3*УОЗ на высоких RPM.
Ву-аля!!! Выйдет желаемый (мной) результат без вмешательства сварщика.
Перечисляю, что в ИНСУЛЬТ II будет иначе, чем в схеме в начале ветки:
R4 – 75kOm (занижение чувствительности на «сход»)
R2 – 2,4kOm (повышение чувствительности на «набег»)
C8 – 100N (точка перехода на «верхнюю полку» 5’000 RPM)
C9 – 47N (точка перехода с «нижней полки» 2’200 RPM)
Про точки перехода отдельно:
5’000 RPM выбрана как начало наиболее часто использующегося диапазона оборотов на практике. И, гарантированно отодвинутого от опасного заступа за оптимальный УОЗ под его более-менее пологой части. Опираясь на разнообразнейшие публикации оптимального УОЗ из источников, внушающих доверие.
Заступ (которого не будет):

Вложение:
УОЗ_комм.gif
УОЗ_комм.gif [ 18.24 KiB | Просмотров: 4892 ]

где зелёным, - ЗАСТУП (другой цвет надо было выбрать) :-)
чёрным, - не доведено под оптимал
синим, - а лучше хрен выдавишь... :nez-nayu:
2’200 RPM выбрана как дающая начало перехода ближе к ХХ, но чуть отступив и максимально «полого» к окончанию перехода:

Вложение:
сток и претендент.gif
сток и претендент.gif [ 12.69 KiB | Просмотров: 4892 ]

Где сток зелёным, а один из вариантов ИНСУЛЬТ II красным.
Всё перечисленное НЕ ЯВЛЯЕТСЯ аксиомой. Это моё частное мнение. Но не лишённое логики. Всё покажут покатушки, минимум месяц-два.
Если что и пойдёт «криво», то вернуть на исходную датчик не составит труда.
А на ИНСУЛЬТ II будут три точки внешней подпайки, общая и C8 - C9 , играйся на здоровье. До обеда припаял, после обеда заменил.
Собираю ИНСУЛЬТ II, не все детальки в наличии…
Ждём-с...


Вернуться наверх
 Профиль  
 
 Заголовок сообщения: Re: Угол Опережения Зажигания (УОЗ)
СообщениеДобавлено: 17 июн 2024, 00:24 
Не в сети
Интересующийся
Интересующийся
Зарегистрирован: 17 июн 2024, 00:15
Сообщений: 10
Транспорт: альфа, якобы 125
Пункты репутации: 0
Неужели остался ещё живой форум по мототехнике...
прочитал с интересом, потихоньку довожу до состояния - не слишком страшно ехать свою альфу
в планах заменить проводку, скорее всего не полностью, только зажигание и генератор.
по теме на мой взгляд это больше спортивный интерес, если бы сделать полноценные мозги это другое дело
мне для этого своих мозгов не хватит :-)
но представление как это должно работать есть.
1 вариант. жестко зашитый график
2. автонастройка по максимальным оборотам для данного угла ручки газа (с обучением или правильнее сказать запоминанием, какой уоз получился в прошлый раз в тех же условиях и усреднение этих данных. и всё равно нужен график чтоб если что то пошло не так вернуть в дефолт)
в принципе даже можно давать искру раньше импульса, главное ограничить максимальный уоз, мало ли чё могзи намозгуют :)-(:


Вернуться наверх
 Профиль  
 
 Заголовок сообщения: Re: Угол Опережения Зажигания (УОЗ)
СообщениеДобавлено: 19 июн 2024, 20:12 
Не в сети
Опытный
Опытный
Аватар пользователя
Зарегистрирован: 07 май 2024, 14:29
Сообщений: 60
Транспорт: ALPHA FMB139 110cc
Пункты репутации: 130
Мотолюбитель
Хэви Мэталл! (Типо, поздаровался) :-)
Для полноценного управления зажиганием, на уровне контроллер (процессор) нуно:
Датчик положения коленвала, с отметчиком 60 минус 2 зубьев;
Датчик положения дроссельной заслонки;
Датчик детонации;
Датчик температуры ДВС.
И это МИНИМАЛЬНЫЙ набор.
А если расширить (то же скромно/минимально) датчик расхода воздуха, топливный насос, инжектор...
БОЮСЬ мопедос подорожает в двое...
:-) :-) :-)
А может и в трое...
:sh_ok: ;;-)))
А Вы Rom-Zecs ПРОВОКАТОР... :-) :-) :-)
Ардуинка по Вам плачет... :-) :-) :-)
И у меня их есть... Три разных... :-) :-) :-)
"Заметьте! Не я это предложил!" (С)"Покровские ворота"


Вернуться наверх
 Профиль  
 
 Заголовок сообщения: Re: Угол Опережения Зажигания (УОЗ)
СообщениеДобавлено: 20 июн 2024, 00:26 
Не в сети
Интересующийся
Интересующийся
Зарегистрирован: 17 июн 2024, 00:15
Сообщений: 10
Транспорт: альфа, якобы 125
Пункты репутации: 0
Andrew74 писал(а):
Хэви Мэталл! (Типо, поздаровался) :-)
Для полноценного управления зажиганием, на уровне контроллер (процессор) нуно:
Датчик положения коленвала, с отметчиком 60 минус 2 зубьев;
Датчик положения дроссельной заслонки;

Цой жив!
лишним не будет, но не обязательно
Andrew74 писал(а):
Датчик детонации;
Датчик температуры ДВС.

хорошо бы, позволят снизить скорость ушатывания мотора
Andrew74 писал(а):
И это МИНИМАЛЬНЫЙ набор.
А если расширить (то же скромно/минимально) датчик расхода воздуха, топливный насос, инжектор...
БОЮСЬ мопедос подорожает в двое...

инжектор вещь хорошая, но вы же понимаете, это другое :mu_zyk:
а дорожать альфу вдвое не надо.
сделать адекватное зажигание хорошая идея
я почему сказал "в принципе даже можно давать искру раньше импульса"
4000об/мин = 67об/сек, вряд ли многие крутят ручку несколько раз за секунду, даже меньше секунды достаточно чтоб мозги замерили обороты и определили момент искры - 30 градусов упреждения = 330 градусов запаздывания
обороты меняются не так быстро, возьмём 4000об/мин = 67об/сек, за 1/4 секунды на сколько можно снизить обороты? с 4000 до 3000? скорее даже меньше, а за это время мотор повернётся примерно 15 раз, достаточно чтоб мозги увидели снижение оборотов и изменили уоз, если даже не успеют, скорее всего детонации не будет или очень слабая.
https://moto-fuoz.ru/grafiki.php
тут что то подобное готовое обсуждают (обсуждали)
https://www.china-moto.ru/forum/topic/5748-%D0%BF%D1%80%D0%BE%D0%B3%D1%80%D0%B0%D0%BC%D0%BC%D0%B8%D1%80%D1%83%D0%B5%D0%BC%D0%BE%D0%B5-%D0%B7%D0%B0%D0%B6%D0%B8%D0%B3%D0%B0%D0%BD%D0%B8%D0%B5-%D1%81-%D0%B8%D0%B7%D0%BC%D0%B5%D0%BD%D1%8F%D0%B5%D0%BC%D1%8B%D0%BC-%D1%83%D0%BE%D0%B7/


Вложения:
Комментарий к файлу: построил график по ссылке, правый нижний
kontrolnaya_rabota_ru_chart (1).png
kontrolnaya_rabota_ru_chart (1).png [ 72.75 KiB | Просмотров: 4832 ]
Комментарий к файлу: упростил, добавит линию символизирующую макс. обороты.
kontrolnaya_rabota_ru_chart.png
kontrolnaya_rabota_ru_chart.png [ 66.67 KiB | Просмотров: 4832 ]
Вернуться наверх
 Профиль  
 
 Заголовок сообщения: Re: Угол Опережения Зажигания (УОЗ)
СообщениеДобавлено: 20 июн 2024, 20:14 
Не в сети
Опытный
Опытный
Аватар пользователя
Зарегистрирован: 07 май 2024, 14:29
Сообщений: 60
Транспорт: ALPHA FMB139 110cc
Пункты репутации: 130
Мотолюбитель
Очень интересный форум.
Но там кочует одна и та же ошибка в знаниях. На оборотах свыше 3'300-3'500 детонации ВООБЩЕ НЕТ... Совсем... И не будет... Ни когда... И не уговаривайте... :-) :-) :-) :-)

Вложение:
зона детонции.jpg
зона детонции.jpg [ 668.57 KiB | Просмотров: 4816 ]

А что же будет? А будет достижение max P в цилиндре сильно ДО ВМТ. И поршень будет идти преодолевая давление "против шерсти". Или КВ лопнет (развалится) или головка шпильки вырвет с выстрелом по-гусарски (как шампанское), или яшшо что-то подобное. А детонации не будет... Кто с опытом, про-осязает "жёсткую работу ДВС". Вот это оно и есть. И это больше искусство, чем наука. Когда внятно даже сам себе объяснить не можешь, что такое "жёстко". Кожей чувствуешь...
А пока, не распыляюсь, добиваю ИНСУЛЬТ II
Там не выбран весь потенциал.


Вернуться наверх
 Профиль  
 
 Заголовок сообщения: Re: Угол Опережения Зажигания (УОЗ)
СообщениеДобавлено: 20 июн 2024, 21:10 
Не в сети
Интересующийся
Интересующийся
Зарегистрирован: 17 июн 2024, 00:15
Сообщений: 10
Транспорт: альфа, якобы 125
Пункты репутации: 0
Andrew74 писал(а):
Очень интересный форум.
Но там кочует одна и та же ошибка в знаниях. На оборотах свыше 3'300-3'500 детонации ВООБЩЕ НЕТ...

это же хорошо, можно не боятся за мотор, достаточно ограничить уоз значением выше которого пользы не будет.

Цитата:
А пока, не распыляюсь, добиваю ИНСУЛЬТ II
Там не выбран весь потенциал.

на аналоге реализовывать сложный алгоритм либо невозможно, либо придётся в разы усложнить схему (если не сильно усложнять пострадает повторяемость, чувствительность к номиналам, термостабильность)
.
вот ещё мне интересно, до начала такта сжатия поджигать нечего, но по факту упреждение больше 35...42градуса не делают, от чего зависит максимальный уоз который имеет смысл, по лучшей мощности или в принципе возможности поджига.


Вернуться наверх
 Профиль  
 
 Заголовок сообщения: Re: Угол Опережения Зажигания (УОЗ)
СообщениеДобавлено: 20 июн 2024, 21:33 
Не в сети
Опытный
Опытный
Аватар пользователя
Зарегистрирован: 07 май 2024, 14:29
Сообщений: 60
Транспорт: ALPHA FMB139 110cc
Пункты репутации: 130
Мотолюбитель
Упрощённо:
Набор max P в цилиндре в районе ВМТ. Скорость фронта распространения горения одна и та-же, а обороты разные. Выше обороты, - раньше поджигай. Сильно позже, - поршень уже "отполз", энергия в пустоту. Сильно раньше, - давление работает в противоход поршню.


Вернуться наверх
 Профиль  
 
 Заголовок сообщения: Re: Угол Опережения Зажигания (УОЗ)
СообщениеДобавлено: 21 июн 2024, 11:07 
Не в сети
Опытный
Опытный
Аватар пользователя
Зарегистрирован: 07 май 2024, 14:29
Сообщений: 60
Транспорт: ALPHA FMB139 110cc
Пункты репутации: 130
Мотолюбитель
Для Rom-Zecs
А я вот так могу: ......

Вложение:
plohay_kontrolnaya_rabota.png
plohay_kontrolnaya_rabota.png [ 356.03 KiB | Просмотров: 4793 ]

С учётом, что для мопедоса 2'000 RPM это ХХ, а свыше 8'000 RPM крутить попросту ОПАСНО, то я готов дать на гора график зависимости УОЗ отображённый чёрным. На базе ИНСУЛЬТа, заменив два конденсатора и "толкнув" индуктивный на встречу вращения. Хоть завтра. И есть ли тут отличия, от предложенной вами? Зачем мне контроллер?
Кстати, зависимость будет не то что "не очень", а практически ...... (эпитет выбрать самостоятельно). Почему? По тому что на практике (мною), на НАШЕМ движке, выявлено опережение в 14-15* (и более раннее) на ХХ тут же провоцирует "жёсткую" работу ДВС и на ХХ, и средне-нижних оборотах.

Для Rom-Zecs
А я вот так хочу:

Вложение:
объясняю на пальцах.jpg
объясняю на пальцах.jpg [ 300.46 KiB | Просмотров: 4793 ]

Дело в том, что 2'000 RPM это ХХ и ниже не бывает (а значит вне зоны детонации по-низам), до 4'500 RPM используются на мопеде сильно редко и отдалённость от оптимального можно пренебречь, а от 5'000 RPM оптимальный УОЗ сам по себе достаточно пологий.
И ещё надо отметить, этот оптимальный УОЗ действителен для 4-х тактного, 4-х цилиндрового рядного ДВС от 1'500 кубиков. Наш оптимальный очень похож, но ДРУГОЙ... И зона детонации похожа, но ДРУГАЯ...
Как то так...


Вернуться наверх
 Профиль  
 
 Заголовок сообщения: Re: Угол Опережения Зажигания (УОЗ)
СообщениеДобавлено: 21 июн 2024, 21:45 
Не в сети
Интересующийся
Интересующийся
Зарегистрирован: 17 июн 2024, 00:15
Сообщений: 10
Транспорт: альфа, якобы 125
Пункты репутации: 0
Andrew74 писал(а):
2'000 RPM это ХХ и ниже не бывает

чтоб было так надо сначала завести и видел на ютубе, например канал "прокачаные колёса" тест и не только на ютуб, по всему выходит , на низах оптимально порядка 6...8гр, так вот на цифре ввести задержку легче легкого, можно ли сделать это на аналоге, если начало выступа порядка 12...18.
тем более
Цитата:
"толкнув" индуктивный на встречу вращения

начало на 139qmb 18гр, на мопеде не знаю, может чуть меньше, ширина выступа 15гр, конец выступа 33гр, возможно и двигать не надо. правда натыкался на мнение о времени сработки тиристора... для 2P4M не нашел, для вроде как аналогов время закрытия 70...100us, при 10000rpm время одного градуса 17us.
Цитата:
Почему? По тому что на практике (мною), на НАШЕМ движке, выявлено опережение в 14-15* (и более раннее) на ХХ тут же провоцирует "жёсткую" работу ДВС и на ХХ, и средне-нижних оборотах.

тут скорее не детонация даже, а нехватка массы маховика, обратный импульс слишком сильный что приводит к попытке обратного вращения, иногда удачной.
Цитата:
И ещё надо отметить, этот оптимальный УОЗ действителен для 4-х тактного, 4-х цилиндрового рядного ДВС от 1'500 кубиков. Наш оптимальный очень похож, но ДРУГОЙ... И зона детонации похожа, но ДРУГАЯ...

кстати, интересно, как выглядит оптимальный график для наших и подобных моторов.


Вложения:
6416127462 (1).png
6416127462 (1).png [ 450.03 KiB | Просмотров: 4785 ]
Вернуться наверх
 Профиль  
 
 Заголовок сообщения: Re: Угол Опережения Зажигания (УОЗ)
СообщениеДобавлено: 22 июн 2024, 00:52 
Не в сети
Опытный
Опытный
Аватар пользователя
Зарегистрирован: 07 май 2024, 14:29
Сообщений: 60
Транспорт: ALPHA FMB139 110cc
Пункты репутации: 130
Мотолюбитель
Rom-Zecs писал(а):
чтоб было так надо сначала завести... ...по всему выходит , на низах оптимально порядка 6...8гр... ...тем более "толкнув" индуктивный на встречу вращения

На запуске важно одно: что бы ДВС не "пинался" в кикстартер или стартер. А на ХХ важно отсутствие "жёсткой" работы ДВС (уже писал). А:
Rom-Zecs писал(а):
...оптимально порядка 6...8гр...
не интересует совсем, от слова никак. Дак вот, (второй раз, про мной выявленное на железе), при 14-15* и ранее появляется "жесткач" (уже писал). В стоке ХХ ~13*(показал стробоскоп (уже писал)), т.е. в притык. На ИНСУЛЬТе ~12*(показал стробоскоп (уже писал)) при снижении чувствительности по отрицательному фронту близко к ~11*(показал эмуль сравнив два варианта ИНСУЛЬТа с занижением чуствительности и без (уже писал)). Значит появился запас (уже писал). Те самые два градуса на "на толчок датчика" навстречу вращения, не войдя в зону "жесткач" на ХХ (уже писал).
Цитата:
начало на 139qmb 18гр, на мопеде не знаю, может чуть меньше... ...конец выступа 33гр, возможно и двигать не надо. правда натыкался на мнение о времени сработки тиристора...
Просто любопытно. Как Вы считаете, мне довериться стробоскопу или Вашим рассуждениям? Или у Вас есть стробоскоп и 139qmb, где Вы обнаружили 18гр. Или это пересказ чужих домыслов, без стробоскопа? Тем более, что цифры приводите умопомрачительной истиности. Аж дух захватывает. Очень интересно. В самом начале ветки, вторым сообщением я описал и шкалу (и почему так), и стробоскоп.
Цитата:
тут скорее не детонация даже, а нехватка массы маховика, обратный импульс слишком сильный что приводит к попытке обратного вращения...
Ну ведь писал... Детонации нет и не будет, и не ждите, на 2'000 RPM (уже писал). Это "жесткач", это когда поршню приходится преодолевать max P ДО ВМТ (уже писал). Нет там никакой детонации. Это намёк: "Не уймёшься, пну в обратку". А уж назовёте это обратным импульсом, дак хоть реверсным, хоть инвертным, хоть зеркальным, это как Вам удобнее. Меня не ломает.
Цитата:
кстати, интересно, как выглядит оптимальный график для наших и подобных моторов..
Единственный вопрос, на который я ничего не пояснял. Поясняю: Наш мотор, сам по себе, лёгкий и оборотистый. На 8'000 RPM полная отдача мощности. Значит и зона детонации (следуя теории искрового ДВС) чуть правее заканчивается. И оптимальный угол более пологий на излёте. А реальный график выудить не удаётся. Не публичат, почему то...
И это был единственный вопрос не разжёванный мной по полочкам.
У меня создаётся впечатление, что форум Вы используете как трибуну своего мнения, не читая других.
При повторе ситуации (уж не обессудьте) буду игнорить...
А про совершенство контроллеров над аналогом: У Вас есть свой мопед. Дерзайте! С удовольствием буду читать (реально). И задавать вопросы. А я сначало вдоволь наиграюсь с ИНСУЛЬТом в реалити, а не в досужих рассуждениях. А потом посмотрим... Тем более редактор WinHex у меня уж лет как десять в работе. И регистры/флаги не новость... Вот только не тот это объект, для применения. Это как полгода ковырять ключ доступа, за 500 рублей на выхлопе. Проще сказать "это не взламываемый ключ"... Найдутся или энтузиасты или дебилы.
А ИНСУЛЬТ для меня, - чистейшей воды развлекуха... Как и мопед целиком... Для души...
.
.
P.S. Дополню, не удержусь... Как у Вас внутри ОДНОГО поста помещается
Цитата:
на низах оптимально порядка 6...8гр... ...если начало выступа порядка 12...18... ...начало на 139qmb 18гр...
Для понимания, при опережении (в Вашей версии "упреждение") в 18* кикстартер Вас в обратку так пнёт, что вспомните ВСЕ неприличные слова, включая не знакомые. И хромать Вам неделю. А электростартер может и выломать из крышки (она, таки, алюминевая). Не горячитесь пересказывать ересь. На заборах то же, много чего пишут. А заглянешь, - окурки и нагадил кто-то...


Вернуться наверх
 Профиль  
 
Показать сообщения за:  Сортировать по:  
Начать новую тему Ответить на тему  [ Сообщений: 54 ] 

На страницу Пред.  1, 2, 3  След.


Часовой пояс: UTC + 3 часа


Кто сейчас на форуме

Сейчас этот форум просматривают: нет зарегистрированных пользователей и гости: 14





© 2010-2026 scooter-remont.com   О сайте Контакты   Политика конфиденциальности