SCOOTER-REMONT.COM - самостоятельное обслуживание, ремонт, тюнинг скутеров и мопедов. Решение проблем, обмен информацией, общение

Часовой пояс: UTC + 3 часа




Начать новую тему Ответить на тему  [ Сообщений: 6 ] 
Автор Сообщение
СообщениеДобавлено: 14 июл 2014, 15:43 
Не в сети
Интересующийся
Интересующийся
Зарегистрирован: 14 июл 2014, 15:39
Сообщений: 3
Транспорт: benelli
Пункты репутации: 0
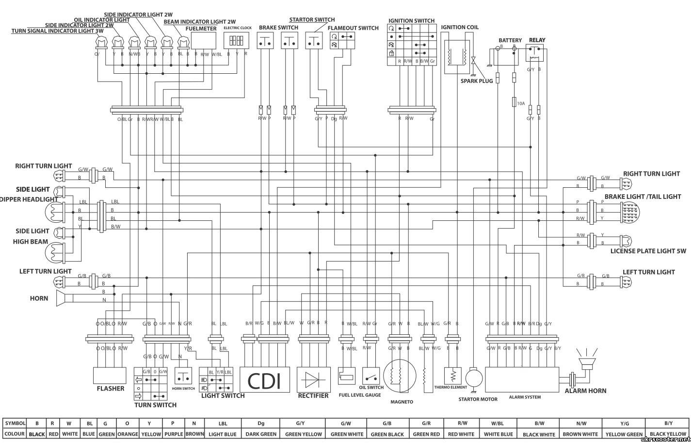
Мужики, подскажите как отключить блок сигнализации. Утерян брелок, хотелось бы отключить сигнализацию совсем.
Если можно красным выделить те провода на схеме которые надо будет разомкнуть или замкнуть. Заранее спасибо. :-):


Вложения:
Комментарий к файлу: схема проводки
9699952.jpg
9699952.jpg [ 168.74 KiB | Просмотров: 10781 ]
Вернуться наверх
 Профиль  
 
СообщениеДобавлено: 15 июл 2014, 04:17 
Не в сети
Уважаемый
Уважаемый
Зарегистрирован: 27 авг 2013, 19:09
Сообщений: 3583
Откуда: Красноярский кр, Курагинский р-он
Транспорт: Dio28 SepiaZZ JogZ2
link183 писал(а):
как отключить блок сигнализации.

-отключить разъем от блока alarm system. проверить искру... если нет...
-на блоке CDI левый провод B\R попробовать замкнуть на массу. проверить искру...
-если искра появится -на фишке alarm system перемкнуть между собой провода B\R и Dg... пробовать заводить...

Если я правильно схему понял...

_________________
Обслуживание Ремонт Тюнинг скутеров мопедов
Запчасти новые и б.у. с разборки тел: 89233978854

[email protected]
http://www.vk.com/club65117765
https://ok.ru/group/57622667198508


Вернуться наверх
 Профиль  
 
СообщениеДобавлено: 16 июл 2014, 08:54 
Не в сети
Интересующийся
Интересующийся
Зарегистрирован: 14 июл 2014, 15:39
Сообщений: 3
Транспорт: benelli
Пункты репутации: 0
Не получилось.. Нет искры..


Вернуться наверх
 Профиль  
 
СообщениеДобавлено: 17 июл 2014, 09:59 
Не в сети
Интересующийся
Интересующийся
Зарегистрирован: 14 июл 2014, 15:39
Сообщений: 3
Транспорт: benelli
Пункты репутации: 0
Есть еще какие варианты?


Вернуться наверх
 Профиль  
 
СообщениеДобавлено: 17 июл 2014, 10:07 
Не в сети
Уважаемый
Уважаемый
Зарегистрирован: 27 авг 2013, 19:09
Сообщений: 3583
Откуда: Красноярский кр, Курагинский р-он
Транспорт: Dio28 SepiaZZ JogZ2
link183 писал(а):
Не получилось.. Нет искры..

-в каком положении переключатель стоп двигателя -возле правой ручки(на схеме flameout switch)?
-скутер твой или купил без брелка?
-когда последний раз заводился скутер?
-на блоке CDI левый провод B\R попробовать подать +. проверить искру...

_________________
Обслуживание Ремонт Тюнинг скутеров мопедов
Запчасти новые и б.у. с разборки тел: 89233978854

[email protected]
http://www.vk.com/club65117765
https://ok.ru/group/57622667198508


Вернуться наверх
 Профиль  
 
СообщениеДобавлено: 18 май 2015, 02:05 
Не в сети
Интересующийся
Интересующийся
Зарегистрирован: 04 май 2015, 05:26
Сообщений: 9
Транспорт: suzuki sepia zz
Пункты репутации: 0
link183 писал(а):
Есть еще какие варианты?

Добрый день, у меня китайский 4Т скутер с сигнализацией, для отключения сигнализации просто разомкнул питание на сигналку (красный провод). Все работает в штатном режиме. Только разомкнуть провод от сигнализации до фишки.


Вернуться наверх
 Профиль  
 
Показать сообщения за:  Сортировать по:  
Начать новую тему Ответить на тему  [ Сообщений: 6 ] 

Часовой пояс: UTC + 3 часа


Кто сейчас на форуме

Сейчас этот форум просматривают: нет зарегистрированных пользователей и гости: 23





© 2010-2026 scooter-remont.com   О сайте Контакты   Политика конфиденциальности