SCOOTER-REMONT.COM - самостоятельное обслуживание, ремонт, тюнинг скутеров и мопедов. Решение проблем, обмен информацией, общение

Часовой пояс: UTC + 3 часа




Начать новую тему Ответить на тему  [ Сообщений: 4 ] 
Автор Сообщение
СообщениеДобавлено: 06 окт 2012, 16:20 
Не в сети
Опытный
Опытный
Зарегистрирован: 29 июн 2012, 18:05
Сообщений: 218
Транспорт: JIALING JL50QT-16
Пункты репутации: 341
МотолюбительМотолюбитель
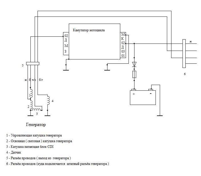
В своё время столкнулся с проблемой замены реле-регулятора на китайце . Потеряв не мало времени и нервов , не нашёл ни чего похожего на то реле каторое было . Посидев и поразмыслив над схемой , понял что из себя предстовляет родное реле-регулятор , это простой стабилизатор напряжения . Такие стабилизаторы напряжения используются в камутаторах на мотоциклах Восход 3М , Минский . У них напряжение в бортсети 13-14,3 вольт . Решение пришло само сабой использовать этот камутатор вместо штатного реле-регулятора ( не полностью подключив весь камутатор , а только стабилизатор ) В этом камутаторе используется стабилизатор шунтирующего типа (при превышении предело напряжения в бортсети он замыкает обмотку генератора на корпус , пока то не упадет до заданных пределов ) . Чтобы всё это заработало я использовал полностью силовую и регулирующую обмотки штатног генератора . провода на генераторе родные , подключение прежнее . на проводах которые выходят из генератора жёлтый провод не использую ( не подключен ) . На выходе из камутатора ( клемма 02 ) один провод уходит в цепь . Паралельно ему к этой клемме подключен второй рповод , мощьный диод (чтобы была зарядка ) , и дальше прямо на предохранитель . Самое главное условие , камутатор должен быть хорошо прикручен к массе своим корпусом . В течении двух лет эксплуатации схема зарекомендовала себя только с хорошей стороны . Может каму пригодится .Силовой провод на плюсовой клемме не указан , чтобы не захломлять схему . в проводке он подключен на своёместо к клемме аккамулятора . На схеме показан разъём цепи скутера (номер 6 ) там остаётся один свободный кантакт . По нему подходило управляющее напряжение к генератору от старого реле .


Вложения:
Framer2 06.10.20125555555555555555555555555555  16-17-30.jpg
Framer2 06.10.20125555555555555555555555555555 16-17-30.jpg [ 30.08 KiB | Просмотров: 40127 ]

_________________
Профессионалы построили " Титаник " , а любитель построил " Ноев кавчег " .
Вернуться наверх
 Профиль  
 
СообщениеДобавлено: 06 окт 2012, 18:41 
Не в сети
Опытный
Опытный
Зарегистрирован: 13 сен 2012, 22:59
Сообщений: 206
Транспорт: DIO - 18
Пункты репутации: 259
Мотолюбитель
Хорошая принципиальная схема.


Вернуться наверх
 Профиль  
 
СообщениеДобавлено: 12 июл 2014, 00:14 
Не в сети
Интересующийся
Интересующийся
Аватар пользователя
Зарегистрирован: 11 июл 2014, 20:47
Сообщений: 6
Откуда: Краснодар
Транспорт: Racer Dragon
Пункты репутации: -10
Я обычно на полтосы для установки ксенона беру генератор и реле зарядки со 150ки. Даже на холостом ходу два ксенона смело тянет и зарядка на акб идет.

_________________
Тише едешь.... В зад догонят!


Вернуться наверх
 Профиль  
 
СообщениеДобавлено: 05 апр 2015, 22:07 
Не в сети
Опытный
Опытный
Зарегистрирован: 29 июл 2014, 19:48
Сообщений: 109
Транспорт: sym jet 4 125
Пункты репутации: 0
D-moon писал(а):
Я обычно на полтосы для установки ксенона беру генератор и реле зарядки со 150ки. Даже на холостом ходу два ксенона смело тянет и зарядка на акб идет.

На 139qmb переделал генератор , реле стоит 5ти контактное, на фару идет постоянный ток, сейчас световой день больше , фарой мало пользуюсь.........меня тревожит езда без включеных электро приборов на скутере , то есть только заряд акб.........будит ли перегрев реле регулятора(или сгореть)?????? Или все же кататся со включеной фарой???????? когда идет сильный нагрев реле регулятора???? Хочу поберечь биксенон ....днем не включать..... а ездить с ДХО......


Вернуться наверх
 Профиль  
 
Показать сообщения за:  Сортировать по:  
Начать новую тему Ответить на тему  [ Сообщений: 4 ] 

Часовой пояс: UTC + 3 часа


Кто сейчас на форуме

Сейчас этот форум просматривают: нет зарегистрированных пользователей и гости: 2





cron
© 2010-2026 scooter-remont.com   О сайте Контакты   Политика конфиденциальности