SCOOTER-REMONT.COM - самостоятельное обслуживание, ремонт, тюнинг скутеров и мопедов. Решение проблем, обмен информацией, общение

Часовой пояс: UTC + 3 часа




Начать новую тему Ответить на тему  [ Сообщений: 9 ] 
Автор Сообщение
СообщениеДобавлено: 09 апр 2020, 02:48 
Не в сети
Интересующийся
Интересующийся
Зарегистрирован: 04 апр 2020, 10:56
Сообщений: 1
Транспорт: Suzuki ZZ
Пункты репутации: 0
Всем привет ! Нужен совет

Сузуки ZZ inc up sport после замены поршневой на 70-ю теряет мощность после 40-45 км/ч , иногда глохнет
до 40 оч хорошо едет , не коптит не дымит
если ехать до 40 проблем нет
на обкатке не было данного


ЦПГ malossi 70сс всё новое , сальники , подшипники , лепестковый , карб делорто , новыя свеча, обогатитель ручной , пробег после сборки 400 км
Стал хреново заводится на холодную ...

может у кого такое было ? масло мотюл бенз 95

Вопросы
1 Как проверить подсос воздуха и работу лепесткового ?
2 Можно ли оставить родной глушитель на 70 cc поршневую или саксофон надо ставить ? ( внутри у глушителя есть катализатор , глушитель исправный )


Вернуться наверх
 Профиль  
 
СообщениеДобавлено: 20 май 2020, 15:35 
Не в сети
Интересующийся
Интересующийся
Зарегистрирован: 20 май 2020, 12:17
Сообщений: 2
Транспорт: Honda Giorno af-24
Пункты репутации: 0
Работу лепесткового можно проверить так , если не хочешь его снимать то просто сними воздухан и закрой дырку пальцами и попроси друга или если сможешь сам , начни заводить через электро стартер , если будет хорошенько так затягивать пальцы значит всё хорошо если нет то он не исправлен.

2. Глушитель можешь оставить я ездил на 80сс с стоковым глушителем и всё было хорошо


Вернуться наверх
 Профиль  
 
СообщениеДобавлено: 20 май 2020, 21:05 
Не в сети
Главный мотомеханик
Главный мотомеханик
Зарегистрирован: 28 сен 2018, 20:23
Сообщений: 792
Транспорт: honda lead 90
Пункты репутации: 2100
МотолюбительМотолюбительМотолюбительМотолюбительМотолюбительМотолюбительМотолюбительМотолюбитель
1) "пробег после сборки 400 км" - может, маловато ещё? Обычно 1000 км обкатывают нормальные ЦПГ. Сейчас у меня ЦПГ SEE тайвань на обкатке, уже около 600 км, а в тёплую погоду(больше + 20 град) на горячую тупит пока на скоростях больше 40 км/ч. По холоду (ниже +10 град) летает до 55, дальше не даю. А вначале обкатки уже после прогрева тупил - на холостых целый вечер понемногу гонял, прежде чем поехать, несмотря на хорошую дозу синт. Мотюль.(1/27 в бак. У Лид снят маслонасос) Это говорит о нормальных зазорах в ЦПГ - так и должно быть. "теряет мощность после 40-45 км/ч , иногда глохнет" - как заглохнет, сразу попробуй киком (не включая зажигание), - если коленвал прокручивается труднее, чем на холодную, то ЦПГ ещё не обкаталась. И если расход бензина большой, то и масла в бак надо побольше добавлять - есть такая связь при раздельной смазке. 2) Карбюратор настраивал, дозирующую иглу выставлял по высоте? После такого ремонта и тем более апгрейда обязательно надо. Посмотри цвет нагара на электродах свечи: если чёрный - переобогащение, или белёсый - переобеднение, то надо настраивать, если цвет кирпичный - норма. "Стал хреново заводится на холодную ..." - опять же, холостой ход настроен? Обогатитель ручной действует? 3) Возд. фильтр в порядке? Если давно не обслуживался, перед настройкой карба надо его промыть - пропитать(если поролоновый) или заменить. Подсос воздуха от цилиндра до эйрбокса покажет себя масляным пятном. Японский лепестковый десятилетиями служит. (На моём Лиде 90 ему 28 лет, прошлой осенью проверял при замене ЦПГ.)


Вернуться наверх
 Профиль  
 
СообщениеДобавлено: 20 май 2020, 21:53 
Не в сети
Главный мотомеханик
Главный мотомеханик
Зарегистрирован: 22 май 2013, 21:45
Сообщений: 858
Транспорт: Vento Phanton R4i, Viper Activ 110
lovelead писал(а):
Это говорит о нормальных зазорах в ЦПГ - так и должно быть

а можно узнать о каких цифрах идет речь?, дело в том что так быть не должно, но не всегда рулят цифры часто и густо качество поршней перечеркивает все усилия и осторожности владельцев при обкатке.


Вернуться наверх
 Профиль  
 
СообщениеДобавлено: 22 май 2020, 15:21 
Не в сети
Интересующийся
Интересующийся
Зарегистрирован: 24 июн 2019, 09:40
Сообщений: 13
Транспорт: Honda tact af 51
Пункты репутации: 0
Ребята если в жару обкатываете мопеды лучше на 92 бензе чем на 95. Я летом на 95 бензе перегрел мотор.


Вернуться наверх
 Профиль  
 
СообщениеДобавлено: 22 май 2020, 21:10 
Не в сети
Главный мотомеханик
Главный мотомеханик
Зарегистрирован: 28 сен 2018, 20:23
Сообщений: 792
Транспорт: honda lead 90
Пункты репутации: 2100
МотолюбительМотолюбительМотолюбительМотолюбительМотолюбительМотолюбительМотолюбительМотолюбитель
skutovod писал(а):
lovelead писал(а):
Это говорит о нормальных зазорах в ЦПГ - так и должно быть

а можно узнать о каких цифрах идет речь?
В замках 0,2 мм, между поршнем и цилиндром не мерял. По нижнему кольцу поршень в цилиндр входил туговато, даже с самым тонким центрирующим кольцом, именно там и притупливает в жару, но всё меньше. О нормальности зазоров сужу интуитивно, обкатывая четвёртую по счёту ЦПГ, которые вначале носил в СТО обмерять. Зазоры там были великоваты (0,3 мм замок и 0,03 мм п/ц), и обкатка им всем практически оказалась не нужна - вообще не тупили. Вроде хорошо, но и ресурс по зазорам у них меньше, чем у нынешней ЦПГ. Поэтому считаю именно её зазоры нормальными, и зашумит она позже.


Вернуться наверх
 Профиль  
 
СообщениеДобавлено: 22 май 2020, 21:19 
Не в сети
Главный мотомеханик
Главный мотомеханик
Зарегистрирован: 28 сен 2018, 20:23
Сообщений: 792
Транспорт: honda lead 90
Пункты репутации: 2100
МотолюбительМотолюбительМотолюбительМотолюбительМотолюбительМотолюбительМотолюбительМотолюбитель
Rs6 писал(а):
Ребята если в жару обкатываете мопеды лучше на 92 бензе чем на 95. Я летом на 95 бензе перегрел мотор.

Так точно, на 95 двигатель горячее, чем на 92, чтобы ни писалось об отсутствии зависимости температуры горения бензина от его октанового числа. Однажды я на 97 ездил, точнее летал, так ещё сильнее грелся. Обкатку лучше делать вообще осенью или весной, по холоду. Особенно если расход топлива, как обычно, завышен, что тоже даёт перегрев. Сочетание жары, перерасхода и высокооктанового топлива при обкатке вполне способно дать тепловой прихват ЦПГ.


Вернуться наверх
 Профиль  
 
СообщениеДобавлено: 23 май 2020, 22:20 
Не в сети
Главный мотомеханик
Главный мотомеханик
Зарегистрирован: 22 май 2013, 21:45
Сообщений: 858
Транспорт: Vento Phanton R4i, Viper Activ 110
а что значить и желательно подробней
lovelead писал(а):
По нижнему кольцу поршень в цилиндр входил туговато

о каком центрирующем кольце речь
lovelead писал(а):
даже с самым тонким центрирующим кольцом,

lovelead писал(а):
(0,3 мм замок и 0,03 мм п/ц), и обкатка им всем практически оказалась не нужна - вообще не тупили.

кольца - великоват, а поршень почти в нижнем пределе и про обкатку ты верно сказал ( в этом варианте )
lovelead писал(а):
Вроде хорошо, но и ресурс по зазорам у них меньше, чем у нынешней ЦПГ.

ничего подобного, это ошибочное мнение
lovelead писал(а):
Так точно, на 95 двигатель горячее, чем на 92, чтобы ни писалось об отсутствии зависимости температуры горения бензина от его октанового числа.

температура горения в первую очередь зависит от степени сжатия ( не путать с компрессией ), которая является величиной расчетной и закладывается в двиг при его конструктиве, и цифру октана закладывают на основании ст. сжатия, вот поэтому 95 бенз в двиге под 92 не может полноценно сгореть и догорает в выхлопе со всеми вытекающими последствиями ...


Вернуться наверх
 Профиль  
 
СообщениеДобавлено: 25 май 2020, 21:52 
Не в сети
Главный мотомеханик
Главный мотомеханик
Зарегистрирован: 28 сен 2018, 20:23
Сообщений: 792
Транспорт: honda lead 90
Пункты репутации: 2100
МотолюбительМотолюбительМотолюбительМотолюбительМотолюбительМотолюбительМотолюбительМотолюбитель
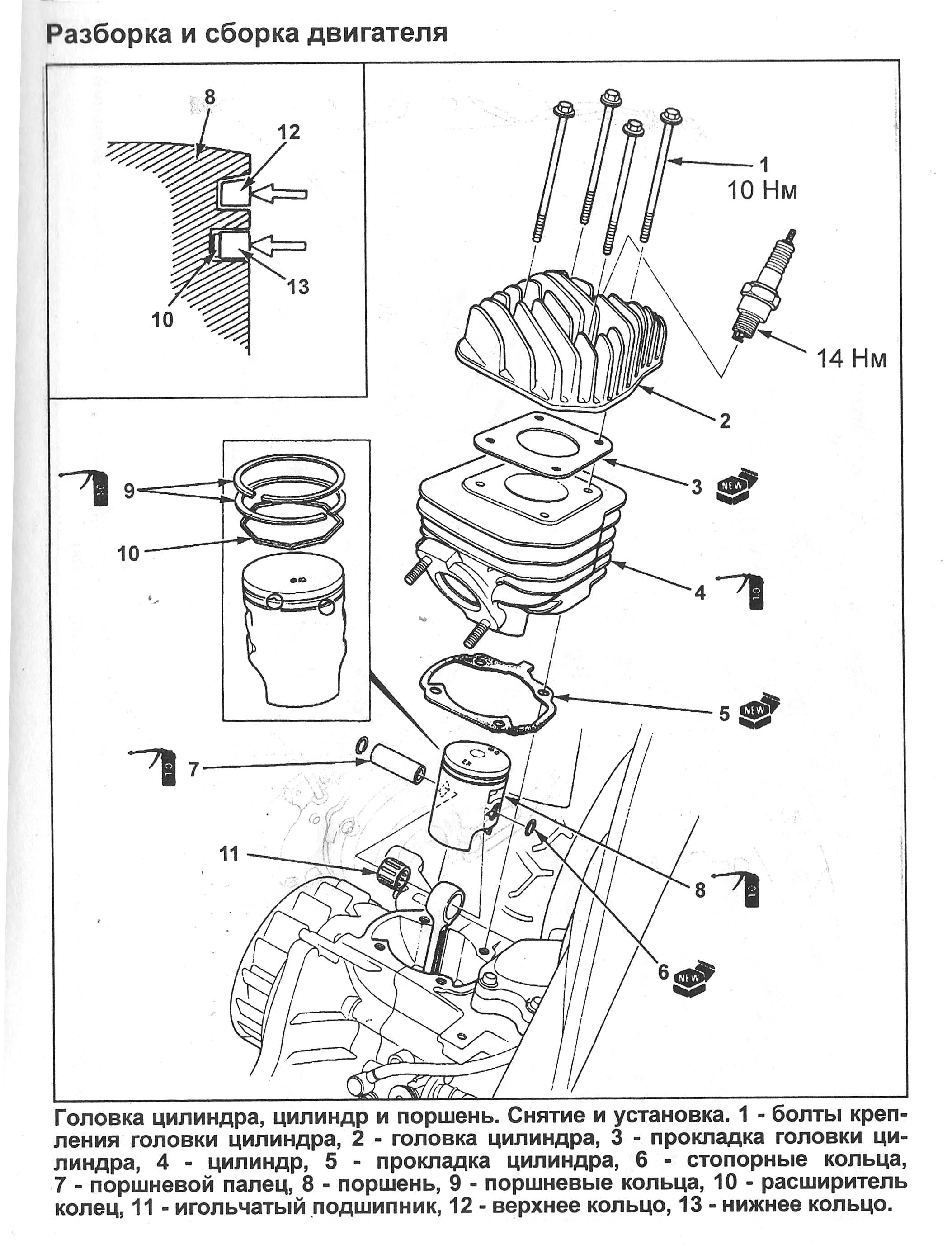
"о каком центрирующем кольце речь" Если подумать, легко догадаться. Поз. 10. "Расширитель колец" - неправильное название, в расширении кольца не нуждаются. Оно центрирует поршень в цилиндре через нижнее компрессионное кольцо. Название должно соответствовать функции.


Вложения:
ЦПГ.JPG
ЦПГ.JPG [ 490.58 KiB | Просмотров: 14184 ]
Вернуться наверх
 Профиль  
 
Показать сообщения за:  Сортировать по:  
Начать новую тему Ответить на тему  [ Сообщений: 9 ] 

Часовой пояс: UTC + 3 часа


Кто сейчас на форуме

Сейчас этот форум просматривают: нет зарегистрированных пользователей и гости: 12





© 2010-2026 scooter-remont.com   О сайте Контакты   Политика конфиденциальности