Инструкция по обслуживанию электроприборов скутера Aprilia Habana 50
Скутер марки Априлия, выполнен в классическом и модном нынче стиле. В стиле ретро тут только обшивка, внутри же это высокотехнологичный аппарат, который напичкан электроникой и ничем в этом плане не уступает современным скутерам.
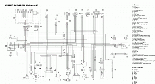
Электропроводка этого скутера имеет аналогичную схему, в сравнении с другими моделями компании, отличаются лишь некоторые детали, которые пришлось поменять местами, из-за дизайна.
Разбираешься в технике? Есть что сказать? Напиши статью! Каждый может стать автором статей на scooter-remont.com. Напиши свое видение ремонта, эксплуатаци и обслуживания скутеров и мопедов. Материал будет опубликован на главной странице. Подробнее ТУТ.



Остались вопросы? Регистрируйся на нашем форуме! Все про ремонт, обслуживание, тюнинг скутеров, мопедов и легких мотоциклов. Добро пожаловать в наш клуб. Перейти на форум >>
